Definování nastavení výkresu
Stránka Nastavení výkresu v dialogovém okně Možnosti umožňuje nastavit chování určitých příkazů kreslení, vzhled určitých entit výkresu, systém jednotek aktuálního výkresu, správu uživatelského souřadného systému (CCS), přizpůsobení seznamu měřítek výkresu a ověřování norem kreslení.
Chování
Postup nastavení chování určitých příkazů ve výkresech a nastavení možností měřítka čar:
- Proveďte jednu z následujících operací:
-
Klikněte na Nástroje > Možnosti (nebo zadejte Options).
Klikněte na Nabídka aplikace > Předvolby (nebo zadejte Options).
V dialogovém okně Možnosti klikněte na Nastavení výkresu
. - Zadejte DrawingSettings.
-
- Rozbalte položku Chování a vyberte nebo zrušte výběr možnosti Povolit relativní kóty. Tím určíte, že vámi vytvořené kóty jsou asociovány s měřenými entitami.
- Rozbalte možnost Parametry stylu čáry a nastavte:
- Globální měřítko čáry. Nastaví faktor měřítka pro zobrazení stylů čar. To je užitečné zejména při zoomování.
- Měřítko čáry pro nové entity. Nastaví měřítko čáry pro nové entity. Všechna měřítka čar entit se zobrazí na základě násobení Globálního měřítka čáry měřítkem čáry entity.
- Měřítko založené na jednotkách listu. Vynásobí vlastní měřítko výřezu vypočítanou hodnotou pro Měřítko čáry pro nové entity.
- Rozbalte Ohraničení výkresu a nastavte:
- Povolit ohraničení výkresu: Omezí vás na entity výkresu uvnitř ohraničení, nastavené v nabídce Umístění.
- Umístění: Nastaví meze ohraničení výkresu. Určete souřadnice nebo klikněte na Vybrat na grafické ploše
a nastavte ohraničení v grafické ploše.
- Rozbalte Řízení rámečků entit. Umožňuje nastavit viditelnost rámečku pro obrázky, objekty OLE, podklady PDF a podklady DGN.
- Nezobrazovat a netisknout rámeček: Skrývá rámeček na ohraničení entit v grafické ploše a na výtiscích.
- Zobrazit, ale netisknout rámeček: Zobrazí rámeček na ohraničení entit v grafické ploše, ale skryje ho na výtiscích.
- Zobrazit a tisknout rámeček: Zobrazí rámeček na ohraničení entit v grafické ploše a na výtiscích.
- Klikněte na tlačítko OK.
Zobrazení
Postup nastavení možností zobrazení:
- Proveďte jednu z následujících operací:
-
Klikněte na Nástroje > Možnosti (nebo zadejte Options).
Klikněte na Nabídka aplikace > Předvolby (nebo zadejte Options).
V dialogovém okně Možnosti klikněte na Nastavení výkresu
. - Zadejte DrawingSettings.
-
- Rozbalte možnost Zobrazit a nastavte následující možnosti:
- Zobrazit záložky listu a modelu. Zapíná a vypíná zobrazení záložek Model a List.
- Zobrazit atributy bloku:
- Normální. Použije nastavení definovaná v Atributu bloku.
- Zap. Zobrazí atributy bloku bez ohledu na nastavení definovaná v Atributu bloku a bez ohledu na to, zda jsou skrytá.
- Vyp. Skryje atributy bloku.
- Vyhlazení vykreslené entity. Určete vyhlazení zaoblených povrchů pro vykreslování a stínování. Toto nastavení ovlivňuje vizuální vzhled 3D objemových objektů ve výkresu. Zadejte hodnotu v rozmezí 0,1 až 10,0. Výchozí hodnota je 0,5.
- Rozbalte možnost Ikona souřadného systému a nastavte následující možnosti:
- Zobrazit ikony. Zobrazí ikony souřadného systému na záložkách Model a List.
- Zobrazit ikony v počátku. Vždy zobrazí ikony souřadného systému v jejich počátečním umístění v grafické ploše.
- Použít změny na všechny aktivně zobrazené pohledy. Aplikuje nastavení možností Zobrazit ikony a Zobrazit ikony v počátku na všechny pohledy.
- Rozbalte Miniaturu a určete, kdy se aktualizují náhledy miniatur:
- Pohledy prostoru modelu. Aktualizuje náhledy miniatur pro pohledy modelu.
- Pohledy listů. Aktualizuje náhledy miniatur pro pohledy listu rozvržení.
- Listy. Aktualizuje náhledy miniatur pro listy rozvržení.
- Listy nebo pohledy vytvořené, upravené nebo obnovené. Aktualizuje náhledy miniatur při vytvoření, změně nebo obnovení listů rozvržení.
- Při uložení výkresu. Aktualizuje náhledy miniatur při uložení výkresu.
Pokud zrušíte výběr všech možností, nebudou se náhledy miniatur aktualizovat.
- Klikněte na tlačítko OK.
Další možnosti: Body, Systém jednotek, Souřadný systém, Seznam měřítek výkresu, Konfigurace norem
Postup nastavení formátu a velikosti entit bodů:
- Viz příkaz PointFormat, který otevírá odpovídající část dialogového okna Možnosti.
Postup nastavení systému jednotek, použitých ve výkresu:
- Viz příkaz UnitSystem, který otevírá odpovídající část dialogového okna Možnosti.
Postup správy CCS:
Chcete-li přizpůsobit Seznam měřítek výkresu:
- Viz příkaz EditScaleList, který otevírá odpovídající část dialogového okna Možnosti.
Postup nastavení ověření prostřednictvím standardů výkresu pro aktuální výkres:
- Viz příkaz DrawingStandards, který otevírá odpovídající část dialogového okna Možnosti.
Vzdálenosti odsazení úchopu kót
Můžete si vynutit umístění kótovacích čar v určených vzdálenostech od měřených lineárních entit a mezi po sobě jdoucími kótovacími čarami, nebo v určených úhlech pro poloměry a průměry.
- Proveďte jednu z následujících operací:
-
Klikněte na Nástroje > Možnosti (nebo zadejte Options).
Klikněte na Nabídka aplikace > Předvolby (nebo zadejte Options).
V dialogovém okně Možnosti klikněte na Nastavení výkresu
. - Zadejte DrawingSettings.
-
- Rozbalte možnost Odsazení vzdáleností uchycení kót.
- Určete, zda chcete Povolit odsazení vzdáleností.
- Pod možností Odsadit vzdálenosti nastavte:
- Odsazení první kótovací čáry od měřené lineární entity.
- Vzdálenost odsazení mezi po sobě jdoucími kótami.

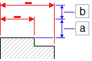
Výchozí vzdálenosti odsazení mezi entitou a první kótovací čárou jsou 0,40 palce (nebo 10 mm) a mezi kótovacími čarami 0,25 palce (6 mm).
- V možnosti Úhel uchycení poloměru/průměru nastavte intervaly úhlu uchycení pro použití při přetahování poloměru a průměru v radiálním směru. Výchozí úhel uchycení je 15°.
Nastavení osy
- Proveďte jednu z následujících operací:
-
Klikněte na Nástroje > Možnosti (nebo zadejte Options).
Klikněte na Nabídka aplikace > Předvolby (nebo zadejte Options).
V dialogovém okně Možnosti klikněte na Nastavení výkresu
. - Zadejte DrawingSettings.
-
- Rozbalte Osy.
- V části Prodloužení určete prodloužení pro osy, které přesahují entity definující obrys.
Pohyb klávesy se šipkou
- Proveďte jednu z následujících operací:
-
Klikněte na Nástroje > Možnosti (nebo zadejte Options).
Klikněte na Nabídka aplikace > Předvolby (nebo zadejte Options).
V dialogovém okně Možnosti klikněte na Nastavení výkresu
. - Zadejte DrawingSettings.
-
- Rozbalte Pohyb klávesy šipky a nastavte:
- Krok klávesy šipky. Udává kladnou hodnotu pro posun entit pomocí tlačítek šipek. Udává vzdálenost, o kterou se entita posouvá (klávesa Shift + šipka)
Pokud například nastavíte Krok klávesy šipky na 2,5, pak jeden stisk kláves Shift + šipka posouvá vybrané entity o 2,5 jednotky ortogonálně ve směru šipky.
- Krok tlačítka stránky nahoru/dolů. Určuje násobicí faktor pro krok klávesy šipky.
Pokud například nastavíte Krok klávesy šipky na 2,5 a Krok klávesy stránky nahoru/dolů na 2, pak jeden stisk kláves Shift + šipka posouvá vybrané entity o 5 jednotek ortogonálně ve směru šipky.
- Krok klávesy šipky. Udává kladnou hodnotu pro posun entit pomocí tlačítek šipek. Udává vzdálenost, o kterou se entita posouvá (klávesa Shift + šipka)
K vyhledání položek v dialogovém okně Možnosti použijte funkci Najít.
Přístup
Příkaz: DrawingSettings nebo Options
Nabídka: Nástroje > Možnosti
Nabídka: Nabídka aplikace > Předvolby uživatele
Pás karet: Spravovat > Uživatelská nastavení > Možnosti


