Definición de configuraciones de dibujo
La página Configuración de dibujo del cuadro de diálogo Opciones le permite establecer el comportamiento de determinados comandos de dibujo, el aspecto de determinadas entidades de dibujo, el sistema de unidades del dibujo actual, administrar los Sistemas de coordenadas personalizados (CCS), personalizar la lista de escalas del dibujo y configurar la verificación de estándares de dibujo.
Comportamiento
Para establecer el comportamiento de determinados comandos de dibujo y las opciones de escala de línea:
- Realice una de las siguientes acciones:
-
Haga clic en Herramientas > Opciones (o escriba Opciones).
Haga clic en Menú de aplicaciones > Preferencias (o escriba Opciones).
En el cuadro de diálogo Opciones, haga clic en Configuración de dibujo
.
- Escriba ConfiguraciónDibujo.
- Expanda Comportamiento y seleccione o desactive Activar cotas relativas. Esto especifica que las cotas que creó están asociadas con las entidades medidas.
- Expanda Parámetros de EstiloLínea y configure:
- Escala de línea global. Establece un factor de escala para la visualización de EstilosLínea. Esto resulta útil al aplicar un zoom para acercar o alejar.
- Escala de línea de nuevas entidades. Establece la escala de línea de entidad para nuevas entidades. Todas las escalas de línea de entidad que se muestran se basan en la multiplicación de la Escala de línea global por la escala de línea de entidad.
- Escala basada en unidades de hojas. Multiplica la escala personalizada de la ventana por el valor evaluado de Escala de línea de nuevas entidades.
- Expanda Límite de dibujo para configurar:
- Activar límite de dibujo: Lo restringe a las entidades de dibujo dentro del límite establecido en Posición.
- Posición: Establece los bordes del límite del dibujo. Especifique las coordenadas o haga clic en Seleccionar en zona de gráficos
para establecer los contornos de la zona de gráficos.
- Expanda Control de marco de entidad. Esto le permite establecer la visibilidad del marco para las imágenes, los objetos OLE, los solapamientos de PDF y los solapamientos de DGN.
- No mostrar ni imprimir marco: Oculta el marco en los bordes de la entidad en la zona de gráficos y en las impresiones.
- Mostrar, pero no imprimir marco: Muestra el marco de los bordes de la entidad en la zona de gráficos, pero lo oculta en las impresiones.
- Mostrar e imprimir marco: Muestra el marco de los bordes de la entidad en la zona de gráficos y en las impresiones.
- Haga clic en Aceptar.
Mostrar
Para configurar las opciones de visualización:
- Realice una de las siguientes acciones:
-
Haga clic en Herramientas > Opciones (o escriba Opciones).
Haga clic en Menú de aplicaciones > Preferencias (o escriba Opciones).
En el cuadro de diálogo Opciones, haga clic en Configuración de dibujo
.
- Escriba ConfiguraciónDibujo.
- Expanda Visualizar y configure:
- Expanda Icono del sistema de coordenadas y configure:
- Mostrar iconos. Muestra iconos del sistema de coordenadas en las pestañas Modelo y Hoja.
- Mostrar iconos al origen. Siempre muestra iconos del sistema de coordenadas en la ubicación del origen en la zona de gráficos.
- Aplicar cambios a todas las vistas mostradas activamente. Aplica la configuración de Mostrar iconos y Mostrar iconos al origen a todas las vistas.
- Expanda Miniatura y especifique cuándo se deben actualizar las vistas preliminares de las miniaturas:
- Vistas de espacio del modelo. Actualiza las vistas preliminares de las miniaturas de las vistas del modelo.
- Vistas de hoja. Actualiza las vistas preliminares de las miniaturas de las vistas de la hoja de diseño.
- Hojas. Actualiza las vistas preliminares de las miniaturas de las hojas de diseño.
- Hojas o vistas creadas, modificadas o restauradas. Actualiza las vistas preliminares de las miniaturas cuando se crean, se modifican o se restauran hojas o vistas de diseño.
- Cuando se guarda el dibujo. Actualiza las vistas preliminares de las miniaturas al guardar el dibujo.
Si desactiva todas las opciones, las vistas preliminares de las miniaturas no se actualizarán.
- Haga clic en Aceptar.
Más opciones: Puntos, Sistema de unidades, Sistema de coordenadas, Lista de escalas del dibujo, Configuración de estándares
Para configurar el formato y el tamaño de las entidades de punto:
Para configurar el SistemaUnidades utilizado en el dibujo:
Para administrar CCS:
- Vea el comando EstiloSC que abre la sección correspondiente del cuadro de diálogo Opciones.
Para personalizar la Lista de escalas del dibujo:
Para configurar la verificación de los Estándares de dibujo del dibujo actual:
Equidistancias de enganche de cotas
Para configurar las preferencias del enganche de ubicación de cota:
Para establecer las preferencias para enganche de ubicación de cota (Professional, Premium, Enterprise y Enterprise Plus):
Puede forzar que las líneas de cota se coloquen a distancias especificadas de entidades lineales medidas y entre líneas de cota sucesivas o en ángulos específicos para cotas de radio y diámetro.
También puede utilizar los cuadros delimitadores de cota y las opciones correspondientes del menú contextual.
- Realice una de las siguientes acciones:
-
Haga clic en Herramientas > Opciones (o escriba Opciones).
Haga clic en Menú de aplicaciones > Preferencias (o escriba Opciones).
En el cuadro de diálogo Opciones, haga clic en Configuración de dibujo
.
- Escriba ConfiguraciónDibujo.
- Expanda Equidistancias de enganche de cotas.
- Especifique si desea Activar equidistancias.
- En Equidistancias, configure:
- La equidistancia de la primera línea de cota desde una entidad lineal medida.
- La equidistancia entre las líneas de cota sucesivas.

Las equidistancias predeterminadas son 0,40 pulgadas (o 10 mm) entre la entidad y primera línea de cota, y 0,25 pulgadas (o 6 mm) entre las cotas.
- En Ángulo de enganche radial/de diámetro, configure los intervalos del ángulo de enganche que se utilizará cuando arrastre cotas de radio y diámetro por ubicaciones radiales. El valor del ángulo de enganche predeterminado es 15°.
- En Cuadro delimitador, establezca:
- Activar cuadro delimitador de cotas. Permite el uso de herramientas para trabajar con cuadros delimitadores de cota. Las opciones correspondientes están disponibles en el menú contextual.
- Mostrar cuadro delimitador de cotas. Muestra todos los cuadros delimitadores del dibujo.
- En Separación de equidistancias de rueda (Professional, Premium, Enterprise y Enterprise Plus), especifique un valor que se utilice como incremento al girar la rueda en la paleta Cota.
Utilice la rueda para ampliar o reducir las equidistancias entre las primeras líneas de cota de la geometría y
entre líneas de cota sucesivas.
Según el archivo de plantilla de dibujo estándar que utilice, los incrementos de separación de rueda predeterminados son 0,10 pulgadas o 2,54 mm.
Autodividir cotas
Para establecer el comportamiento al arrastrar cotas en el otro lado de la geometría (Professional, Premium, Enterprise y Enterprise Plus):
Puede arrastrar cotas al otro lado de la geometría y seguir disponiendo del aspecto correcto. El software mantiene las separaciones de las líneas de referencia de las cotas y evita que se superponga la geometría de las líneas de referencia de las cotas.
Además, también puede crear divisiones en las líneas de referencia automáticamente al arrastrar cotas en el otro lado de la geometría, en todas las intersecciones con otras entidades.
- Realice una de las siguientes acciones:
-
Haga clic en Herramientas > Opciones (o escriba Opciones).
Haga clic en Menú de aplicaciones > Preferencias (o escriba Opciones).
En el cuadro de diálogo Opciones, haga clic en Configuración de dibujo
.
- Escriba ConfiguraciónDibujo.
- Expanda Dividir cota automáticamente.
- Especifique si desea Activar la división automática de cotas.
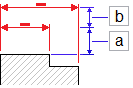
Ejemplos:
Arrastre de una cota continua en el otro lado de la geometría


Arrastre de una cota lineal sobre más de una entidad

Configuración de línea constructiva
Para configurar las preferencias para las líneas constructivas:
- Realice una de las siguientes acciones:
-
Haga clic en Herramientas > Opciones (o escriba Opciones).
Haga clic en Menú de aplicaciones > Preferencias (o escriba Opciones).
En el cuadro de diálogo Opciones, haga clic en Configuración de dibujo
.
- Escriba ConfiguraciónDibujo.
- Expanda Líneas constructivas.
- En Extensión, especifique la extensión de las líneas constructivas para que supere las entidades que definen el contorno.
Movimiento de tecla de flecha
Para establecer las preferencias de movimiento para las flechas del teclado:
Para establecer las preferencias para el movimiento de tecla de flecha (Professional, Premium, Enterprise y Enterprise Plus):
- Realice una de las siguientes acciones:
-
Haga clic en Herramientas > Opciones (o escriba Opciones).
Haga clic en Menú de aplicaciones > Preferencias (o escriba Opciones).
En el cuadro de diálogo Opciones, haga clic en Configuración de dibujo
.
- Escriba ConfiguraciónDibujo.
- Expanda Movimiento de flechas del teclado y establezca:
- Incremento de tecla de flecha. Especifica un valor positivo para mover entidades utilizando las teclas de flecha. Especifica la distancia que las entidades seleccionadas se moverán (Mayús + tecla de flecha)
Por ejemplo, si establece el Incremento de tecla de flecha a 2,5, pulse Mayús + Flecha y moverá las entidades seleccionadas 2,5 unidades de forma ortogonal en la dirección de la flecha.
- Incremento de página arriba/abajo. Especifica un factor de multiplicación para el incremento de tecla de flecha.
Por ejemplo, si establece el incremento de tecla de flecha en 2,5 y el Incremento de página arriba/abajo en 2, al pulsar la tecla Mayús + tecla de flecha una vez, moverá las unidades seleccionadas 5 unidades ortogonalmente en la dirección de la flecha.
Use la opción Buscar para buscar elementos en el cuadro de diálogo Opciones
Comando: ConfiguraciónDibujo u Opciones
Menú: Herramientas > Opciones
Menú: Menú de aplicaciones > Preferencias