Définir les paramètres de la mise en plan
La page Paramètres de mise en plan de la boîte de dialogue Options vous permet de définir le comportement de certaines commandes de mise en plan, l'apparence de certaines entités de mise en plan et le système d'unités de la mise en plan en cours, de gérer les systèmes de coordonnées personnalisés (SCP), de personnaliser la liste d'échelles de mise en plan, et de configurer la vérification des normes de mise en plan.
Comportement
Pour définir le comportement de certaines commandes de mise en plan ainsi que les options d'échelle de ligne:
- Effectuez l'une des opérations suivantes :
-
Cliquez sur Outils > Options (ou entrez Options).
Cliquez sur Menu de l'application > Préférences (ou entrez Options).
Dans la boîte de dialogue Options, cliquez sur Paramètres de mise en plan
. - Entrez ParamMisePlan.
-
- Développez Comportement et activez ou désactivez Activer les cotes relatives. Cette opération indique que les cotes créées sont associées aux entités mesurées.
- Développez Paramètres de StyleLigne et définissez les options suivantes :
- Echelle de ligne globale. Définit un facteur d'échelle applicable à l'affichage des StylesLigne. Cette option est utile pour les zooms avant et arrière.
- Echelle de ligne pour les nouvelles entités. Définit l'échelle de ligne pour les nouvelles entités. Les échelles de ligne pour les entités sont affichées sur la base du produit obtenu en multipliant l'Echelle de ligne globale par l'échelle de ligne d'entité.
- Echelle basée sur les unités de la feuille. Multiplie l'échelle personnalisée de la fenêtre par la valeur évaluée pour Echelle de ligne pour les nouvelles entités.
- Développez Contour de mise en plan et définissez les options suivantes :
- Activer le contour de mise en plan : Limite l'opération aux entités de mise en plan comprises dans le contour défini sous Position.
- Position : Définit les bords des contours de la mise en plan. Spécifiez les coordonnées ou cliquez sur Sélectionner dans la zone graphique
pour définir les contours dans la zone graphique.
- Développez Contrôle de cadre d'entité. Cela vous permet de définir la visibilité du cadre pour les images, les objets OLE, les calques sous-jacents PDF et les calques sous-jacents DGN.
- Ne pas afficher ni imprimer le cadre : masque le cadre au niveau des bordures de l'entité dans la zone graphique et sur les impressions.
- Afficher le cadre mais ne pas l'imprimer : affiche le cadre au niveau des bordures de l'entité dans la zone graphique, mais le masque sur les impressions.
- Afficher et imprimer le cadre : affiche le cadre au niveau des bordures de l'entité dans la zone graphique et sur les impressions.
- Cliquez sur OK.
Afficher
Pour définir les options d'affichage:
- Effectuez l'une des opérations suivantes :
-
Cliquez sur Outils > Options (ou entrez Options).
Cliquez sur Menu de l'application > Préférences (ou entrez Options).
Dans la boîte de dialogue Options, cliquez sur Paramètres de mise en plan
. - Entrez ParamMisePlan.
-
- Développez Affichage et définissez les options suivantes :
- Montrer les onglets Modèle et Feuille. Permet d'activer et de désactiver l'affichage des onglets Modèle et Feuille.
- Montrer les attributs de bloc :
- Normal. Utilise le paramètre défini dans l'AttributBloc.
- Activé. Montre les AttributsBloc, qu'ils soient ou non cachés et ce, quel que soit le paramètre défini dans l'AttributBloc.
- Désactivée. Cache les AttributsBloc.
- Lissage de l'entité rendue. Permet de spécifier le lissage des surfaces courbes pour le rendu et l'ombrage. Ce paramètre a un impact sur l'aspect visuel des objets solides 3D dans la mise en plan. Spécifiez une valeur comprise entre 0,1 et 10,0. La valeur par défaut est 0,5.
- Développez Icône du système de coordonnées et définissez les options suivantes :
- Afficher les icônes. Affiche les icônes du système de coordonnées dans les onglets Modèle et Feuille.
- Afficher les icônes à l'origine. Affiche toujours les icônes du système de coordonnées à l'emplacement d'origine dans la zone graphique.
- Appliquer les modifications à toutes les vues affichées actives. Applique les paramètres définis sous Afficher les icônes et Afficher les icônes à l'origine à toutes les vues.
- Développez Miniature et spécifiez quand les miniatures d'aperçu sont mises à jour :
- Vues de l'espace du modèle Met à jour les miniatures d'aperçu pour les vues du modèle.
- Vues de calque. Met à jour les miniatures d'aperçu pour les vues du folio.
- Feuilles. Met à jour les miniatures d'aperçu pour les folios.
- Calques ou vues créé(e)s, modifié(e)s ou restauré(e)s. Met à jour les miniatures d'aperçu lorsque des folios ou des vues sont créés, modifiés ou restaurés.
- Lorsque la mise en plan est enregistrée. Met à jour les miniatures d'aperçu lorsque la mise en plan est enregistrée.
Si vous désactivez toutes les options, les miniatures d'aperçu ne sont pas mises à jour.
- Cliquez sur OK.
Plus d'options : points, système d'unités, système de coordonnées, liste d'échelles de mise en plan, configuration des normes
Pour définir le format et la taille des entités de points:
- Voir la commande PointFormat qui permet d'ouvrir la section correspondante de la boîte de dialogue Options.
Pour configurer le système d'unités utilisé dans la mise en plan:
- Voir la commande UnitSystem qui permet d'ouvrir la section correspondante de la boîte de dialogue Options.
Pour gérer les SCP:
- Voir la commande CSStyle qui permet d'ouvrir la section correspondante de la boîte de dialogue Options.
Pour personnaliser la liste d'échelles par défaut :
- Voir la commande EditScaleList qui permet d'ouvrir la section correspondante de la boîte de dialogue Options.
Pour activer la vérification des normes de mise en plan pour la mise en plan actuelle :
- Voir la commande DrawingStandards qui permet d'ouvrir la section correspondante de la boîte de dialogue Options.
Distances de décalage d'alignement de cote
Vous pouvez forcer le placement des lignes de cote à des distances spécifiées à partir des entités linéaires mesurées et entre des lignes de cote successives ou à des angles spécifiés pour les cotes de rayon et de diamètre.
- Effectuez l'une des opérations suivantes :
-
Cliquez sur Outils > Options (ou entrez Options).
Cliquez sur Menu de l'application > Préférences (ou entrez Options).
Dans la boîte de dialogue Options, cliquez sur Paramètres de mise en plan
. - Entrez ParamMisePlan.
-
- Développez Distances de décalage d'aimantation de cote.
- Indiquez si vous voulez Activer les distances de décalage.
- Sous Distance de décalage, définissez les paramètres suivants :
- Décalage de la première ligne de cote depuis une entité linéaire mesurée.
- Distance de décalage entre des lignes de cote successives.

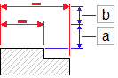
Les distances de décalage par défaut sont 0,40 pouce (ou 10 mm) entre l'entité et la première ligne de cote et 0,25 pouce (ou 6 mm) entre les cotes.
- Dans Angle d'aimantation de diamètre/rayon, définissez les intervalles d'angle d'aimantation à utiliser lorsque vous faites glisser les cotes de rayon et de diamètre le long des rayons. Par défaut, l'angle d'aimantation est de 15°.
Paramètres de ligne de centre
- Effectuez l'une des opérations suivantes :
-
Cliquez sur Outils > Options (ou entrez Options).
Cliquez sur Menu de l'application > Préférences (ou entrez Options).
Dans la boîte de dialogue Options, cliquez sur Paramètres de mise en plan
. - Entrez ParamMisePlan.
-
- Développez Lignes de construction.
- Sous Extension, spécifiez l'extension afin que les lignes de construction dépassent les entités qui définissent le contour.
Mouvement clé de la flèche
- Effectuez l'une des opérations suivantes :
-
Cliquez sur Outils > Options (ou entrez Options).
Cliquez sur Menu de l'application > Préférences (ou entrez Options).
Dans la boîte de dialogue Options, cliquez sur Paramètres de mise en plan
. - Entrez ParamMisePlan.
-
- Développez Déplacement avec les touches fléchées et définissez :
- Incrément touche fléchée. Spécifie une valeur positive de déplacement des entités avec les touches fléchées. Indique la distance de déplacement des entités sélectionnées (Maj + touche fléchée)
Par exemple, si vous définissez Incrément touche fléchée sur 2,5 et que vous appuyez une fois sur Maj + flèche, les entités sélectionnées sont déplacées de 2,5 unités, orthogonalement, dans la direction de la flèche.
- Incrément Page suivante/précédente. Spécifie un facteur de multiplication pour l'incrément touche fléchée.
Par exemple, si vous définissez Incrément touche fléchée sur 2,5 et Incrément Page suivante/précédente sur 2 et que vous appuyez une fois sur Maj + flèche, les entités sélectionnées sont déplacées de 5 unités, orthogonalement, dans la direction de la flèche.
- Incrément touche fléchée. Spécifie une valeur positive de déplacement des entités avec les touches fléchées. Indique la distance de déplacement des entités sélectionnées (Maj + touche fléchée)
Utilisez l'option Rechercher pour rechercher des éléments dans la boîte de dialogue Options.
Accès
Commande : ParamMPlan ou Options
Menu : Outils > Options
Menu : Menu de l'application > Préférences
Ruban : Gérer > Personnalisation > Options
Rubriques connexes
Personnaliser l'interface utilisateur
Rubrique parente
Définir les préférences utilisateur et les options du système


