Definizione delle impostazioni di disegno

La pagina Impostazioni Disegno della finestra di dialogo Opzioni consente di impostare il comportamento di alcuni comandi di disegno, il modo in cui vengono visualizzati determinate entità, il sistema delle unità di misurazione del disegno corrente; permette inoltre di gestire i sistemi di coordinate personalizzati (CCS, Custom Coordinate Systems), personalizzare l'elenco delle scale di disegno e configurare la verifica degli standard di disegno.

Comportamento

Per definire il comportamento di alcuni comandi di disegno e impostare le opzioni relative alla scala delle linee:

  1. Procedere in uno dei modi seguenti:
    • Fare clic su Strumenti > Opzioni (oppure digitare Opzioni).

      Fare clic su Menu applicazione > Preferenze (oppure digitare Opzioni).

      Nella finestra di dialogo Opzioni, fare clic su Impostazioni Disegno .

    • Digitare ImpostazioniDisegno.
  2. Espandere Comportamento e selezionare o deselezionare Attiva quote relative. Ciò indica che le quote create sono associate agli oggetti misurati.
  3. Espandere Parametri StileLinea e impostare:
    • Scala linea globale. Definisce un fattore di scala per la visualizzazione degli stili di linea. Ciò è utile durante le operazioni di zooming.
    • Scala linea per le nuove entità. Definisce la scala di linea per i nuovi oggetti. Tutte le scale linea di entità vengono visualizzate in base alla moltiplicazione della Scala linea globale per la scala linea entità.
    • Scala basata sulle unità del foglio. Moltiplica la scala personalizzata della Finestra per il valore stimato per Scala linea per le nuove entità.
  4. Espandere Delimitazione disegno e impostare:
    • Attiva delimitazione disegno: consente di disegnare oggetti esclusivamente all'interno di un'area definita in Posizione.
    • Posizione: Definisce i confini dell'area di disegno. Specificare le coordinate o fare clic su Seleziona nell'area grafica per impostare i contorni nell'area grafica.
  5. Espandere Controllo cornice entità. In questo modo è possibile impostare la visibilità della cornice per immagini, oggetti OLE, sottoposti PDF e sottoposti DGN.
    • Non visualizzare e stampare la cornice: Nasconde la cornice ai bordi dell'entità nell'area grafica e nelle stampe.
    • Visualizza ma non stampare la cornice: Mostra la cornice sui bordi dell'entità nell'area grafica, ma la nasconde sulla stampa.
    • Visualizza e stampa la cornice: Mostra la cornice sui bordi dell'entità nell'area grafica e nella stampa.
  6. Fare clic su OK.

^ Inizio pagina

Visualizzazione

Per impostare le opzioni di visualizzazione:

  1. Procedere in uno dei modi seguenti:
    • Fare clic su Strumenti > Opzioni (oppure digitare Opzioni).

      Fare clic su Menu applicazione > Preferenze (oppure digitare Opzioni).

      Nella finestra di dialogo Opzioni, fare clic su Impostazioni Disegno .

    • Digitare ImpostazioniDisegno.
  2. Espandere Visualizza e impostare:
    • Mostra schede Modello e Foglio. Per attivare e disattivare la visualizzazione delle schede Modello e Foglio.
    • Mostra attributi blocco:
      • Normale. Usa le impostazioni definite in Attributi Blocco.
      • On. Mostra gli attributi blocco indipendentemente alle definizioni in BlockAttributes e indipendentemente dal fatto che siano nascosti.
      • Off. Nasconde gli attributi blocco.
    • Uniformità entità renderizzate. Specificare l'uniformità delle superfici curve per il rendering e l'ombreggiatura. L'impostazione influisce sull'aspetto dei solidi 3D del disegno. Specificare un valore compreso tra 0,1 e 10,0. Il valore predefinito è 0,5.

      L'uniformità specificata influisce anche sulla risoluzione degli oggetti solidi 3D quando questi vengono esportati in file di stereolitografia (.stl) con il comando EsportaSTL.

  3. Espandere Icona Sistema Coordinate e impostare:
    • Visualizza icone. Visualizza le icone del sistema di coordinate nelle schede Modello e Foglio.
    • Visualizza icone all'origine. Visualizza sempre l'icona del sistema di coordinate nella posizione origine nell'area di disegno.
    • Applica le modifiche a tutte le viste attivamente visualizzate. Applica le impostazioni per Visualizza icone e Visualizza icone all'origine a tutte le viste.
  4. Espandere Miniatura e specificare quando devono essere aggiornate le anteprime delle miniature:
    • Viste spazio modello. Aggiorna le anteprime delle miniature per le viste Modello.
    • Viste foglio. Aggiorna le anteprime delle miniature per le viste Foglio di layout.
    • Fogli. Aggiorna le anteprime delle miniature per i Fogli di layout.
    • Fogli o viste creati, modificati o ripristinati. Aggiorna le anteprime delle miniature quando vengono creati, modificati o ripristinati Fogli di layout o viste.
    • Al salvataggio del disegno. Aggiorna le anteprime delle miniature quando il disegno viene salvato.

    Se si deselezionano tutte le opzioni, le anteprime delle miniature non vengono aggiornate.

  5. Fare clic su OK.

^ Inizio pagina

Altre opzioni: Punti, Sistema di unità, Sistema di coordinate, Elenco scale del disegno, Configurazione degli standard

Per definire il formato e le dimensioni degli oggetti Punto:

Per definire il sistema di unità di misura utilizzato nel disegno:

Per gestire i sistemi di coordinate personalizzati CCS ( Custom Coordinate Systems):

Per personalizzare l'elenco scale di disegno:

Per configurare la verifica degli standard di disegno per il disegno corrente:

^ Inizio pagina

Distanze offset allineamento dimensioni

Per impostare le preferenze per lo snap della posizione quota:

Per impostare le preferenze per snap a posizioni quote (Professional, Premium, Enterprise ed Enterprise Plus):

È possibile forzare il posizionamento delle linee di quotatura a distanze specificate dagli oggetti lineari misurati e tra linee di quotatura in successione oppure ad angoli specificati per le quote raggio e diametro.

È inoltre possibile utilizzare il riquadro di selezione quota e le corrispondenti opzioni dal menu contestuale.

  1. Procedere in uno dei modi seguenti:
    • Fare clic su Strumenti > Opzioni (oppure digitare Opzioni).

      Fare clic su Menu applicazione > Preferenze (oppure digitare Opzioni).

      Nella finestra di dialogo Opzioni, fare clic su Impostazioni Disegno .

    • Digitare ImpostazioniDisegno.
  2. Espandere Distanze offset allineamento dimensioni.
  3. Specificare se selezionare l'opzione Abilita distanze di offset.
  4. In Distanze offset, impostare:
    1. L'offset della prima linea di quotatura da una entità lineare misurata.
    2. La distanza di offset tra linee di quotatura in successione.

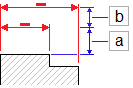
    Le distanze di offset predefinite sono 0,40 pollici (10 mm) tra l'entità e la prima linea di quotatura e 0,25 pollici (6 mm) tra le quote.

  5. In Angolo snap radiale/diametrale, impostare gli intervalli degli angoli snap da usare quando si trascinano le quote raggio e diametro lungo posizioni radiali. L'angolo snap predefinito è 15°.
  6. In Riquadro di selezione impostare:
    • Attiva riquadro di selezione quota. Attiva l'utilizzo di strumenti per lavorare con il riquadro di selezione quota. Nel menu contestuale sono disponibili opzioni corrispondenti.
    • Mostra riquadro di selezione quota. Visualizza tutti i riquadri di selezione nel disegno.
  7. In Rotella spaziatura offset (Professional, Premium, Enterprise ed Enterprise Plus) specificare un valore da utilizzare come incremento quando si ruota la rotellina nella tavolozza Quote.

    Utilizzare la rotellina per ingrandire o ridurre la spaziatura offset tra le prime linee di quotatura dalla geometria e
    tra le linee di quotatura successive.

    A seconda del file di modello di disegno standard utilizzato, gli incrementi di spaziatura della rotellina predefiniti sono di 2,54 mm o 0,10 pollici.

^ Inizio pagina

Divisione automatica quote

Per impostare il comportamento quando si trascinano le quote sull'altro lato della geometria (Professional, Premium, Enterprise ed Enterprise Plus):

È possibile trascinare le quote sull'altro lato della geometria mantenendo l'aspetto corretto. Il software mantiene i giochi nelle linee di estensione delle quote e impedisce che le linee di estensione delle quote si sovrappongano alla geometria.

Inoltre, è possibile creare automaticamente divisioni nelle linee di estensione quando si trascinano le quote sull'altro lato della geometria, in tutte le intersezioni con altre entità.

  1. Procedere in uno dei modi seguenti:
    • Fare clic su Strumenti > Opzioni (oppure digitare Opzioni).

      Fare clic su Menu applicazione > Preferenze (oppure digitare Opzioni).

      Nella finestra di dialogo Opzioni, fare clic su Impostazioni Disegno .

    • Digitare ImpostazioniDisegno.
  2. Espandere Divisione automatica quote.
  3. Specificare l'opzione Attiva divisione automatica quote.

Esempi:

Trascinamento di una quota continua sull'altro lato della geometria

Trascinamento di una quota lineare su più entità

Impostazioni linea di mezzeria

Per impostare le preferenze per LineeMezzeria:

  1. Procedere in uno dei modi seguenti:
    • Fare clic su Strumenti > Opzioni (oppure digitare Opzioni).

      Fare clic su Menu applicazione > Preferenze (oppure digitare Opzioni).

      Nella finestra di dialogo Opzioni, fare clic su Impostazioni Disegno .

    • Digitare ImpostazioniDisegno.
  2. Espandere LineeMezzeria.
  3. In Estensione, specificare un'estensione delle LineeMezzeria che superi gli oggetti che definiscono il contorno.

^ Inizio pagina

Spostamento tasti freccia

Per impostare le preferenze per lo spostamento tramite tasti freccia:

Per impostare le preferenze per Spostamento tasti freccia (Professional, Premium, Enterprise ed Enterprise Plus):

  1. Procedere in uno dei modi seguenti:
    • Fare clic su Strumenti > Opzioni (oppure digitare Opzioni).

      Fare clic su Menu applicazione > Preferenze (oppure digitare Opzioni).

      Nella finestra di dialogo Opzioni, fare clic su Impostazioni Disegno .

    • Digitare ImpostazioniDisegno.
  2. Espandere Spostamento con tasti freccia e impostare:
    • Incremento tasti freccia. Consente di specificare un valore positivo per spostare le entità tramite i tasti freccia. Consente di specificare la distanza di cui spostare le entità selezionate (tasti Maiusc + Freccia)

      Se ad esempio si imposta Incremento tasti freccia su 2,5, premendo una volta Maiusc + Freccia si spostano le entità selezionate di 2,5 unità ortogonalmente, nella direzione della freccia.

    • Incremento Pagina su/giù. Consente di specificare un fattore di moltiplicazione per Incremento tasti freccia.

      Se ad esempio si imposta Incremento tasti freccia su 2,5 e Incremento Pagina su/giù su 2, premendo una volta i tasti Maiusc + Freccia si spostano le entità selezionate di 5 unità ortogonalmente, nella direzione della freccia.

^ Inizio pagina

  Utilizzare l'opzione Trova per ricercare elementi nella finestra di dialogo Opzioni.

Accesso

Comando: Opzioni

Menu: Strumenti > Opzioni

Menu: Applicazione > Preferenze

Argomenti correlati

Personalizzazione dell'interfaccia utente

Argomento principale

Impostazione delle preferenze utente e delle opzioni di sistema