作図設定の定義(Defining Drawing Settings)¶
オプション(Options) ダイアログボックの**作図設定(Drawing Settings)**ページでは、特定の図面コマンドの動作、特定の作図エンティティの外観、現在の図面の単位系を確認し、カスタム座標系(CCS)の管理、図面尺度リストのカスタマイズ、図面標準の検証の設定を行うことができます。
動作
一部の図面コマンドの動作を設定し線尺度オプションを設定するには:
次のいずれかを実行します。
ツール > オプション**をクリックします(または **Options と入力します)。
オプション(Options) ダイアログ ボックスで、作図設定(Drawing Settings)
をクリックします。DrawingSettings と入力します。
**動作(Behavior)**を展開し、**相対寸法を有効化(Enable relative dimensions)**を選択または選択解除します。これにより作成する寸法は測定されたエンティティと関連づけられます。
**線種パラメータ(LineStyle Parameters)**を展開し、次の設定を行います。
グローバル線尺度(Global line scale)。線種を表示する尺度係数の値を設定します。拡大、縮小表示する際に便利です。
新しいエンティティの線尺度(Line scale for new entities)。新しいエンティティの線尺度を設定します。すべてのエンティティの線尺度は、**グローバル線尺度(Global line scale)**にエンティティの線尺度をかけたものに基づいて表示されます。
シートの単位に基づいた尺度設定(Scale based on sheet's units)。ビューポートのカスタム尺度に**新しいエンティティの線尺度(Line scale for new entities)**の評価値をかけたものです。
**図面境界(Drawing Boundary)**では次を設定できます:
図面境界を有効(Enable drawing boundary): 作図エンティティを**位置(Position)**で設定された境界内に制限します。
位置(Position): 図面境界線を設定します。座標を指定するか、または**グラフィックス領域内で選択(Select in graphics area)**
をクリックして、境界をグラフィックス領域内で設定します。
**エンティティ フレーム制御(Entity Frame Control)**を展開します。これにより、イメージ、OLE オブジェクト、PDF アンダーレイ、DGN アンダーレイのフレーム表示を設定できます。
フレームを表示および印刷しない: グラフィックス領域と印刷出力で、エンティティ境界のフレームを非表示にします。
フレームを表示するが印刷はしない(Display but do not print frame): グラフィックス領域ではエンティティ境界のフレームを表示しますが、印刷出力では非表示にします。
フレームを表示および印刷する(Display and print frame): グラフィックス領域と印刷出力で、エンティティ境界のフレームを表示します。
OK をクリックします。
表示(L)
表示オプションを設定するには:
次のいずれかを実行します。
ツール > オプション**をクリックします(または **Options と入力します)。
オプション(Options) ダイアログ ボックスで、作図設定(Drawing Settings)
をクリックします。DrawingSettings と入力します。
**表示(Display)**を展開し、次の設定を行います。
モデルおよびシート タブを表示(Show Model and Sheet tabs)。**モデル(Model)**および**シート(Sheet)**タブの表示をオン/オフします。
ブロック属性表示(Show block attributes):
標準(Normal)。ブロック属性で定義された設定を使用します。
オン(On)。ブロック属性で定義された設定が非表示であっても表示します。
オフ(Off)。ブロック属性を非表示にします。
レンダリングされるエンティティのなめらかさ(Rendered entity smoothness)。レンダリングとシェーディングの曲面のなめらかさを指定します。この設定は、図面の 3D ソリッド オブジェクトの外観に影響します。0.1 ~ 10.0 の値を指定します。デフォルト値は 0.5 です。
指定したなめらかさは、 ExportSTL コマンドを使用してステレオリソグラフィ ファイル(.stl)にエクスポートする場合の 3D ソリッド オブジェクトの解像度にも影響します。
**座標系アイコン(Coordinate System Icon)**を展開し、次の設定を行います。
**サムネイル(Thumbnail)**を展開し、サムネイル プレビューの更新タイミングを指定します:
モデル空間ビュー(Model space views)。モデル ビューのサムネイル プレビューを更新します。
シート ビュー(Sheet views)。シート ビューのサムネイル プレビューを更新します。
シート(Sheets)。レイアウト シートのサムネイル プレビューを更新します。
シートまたはビューが作成、変更、または復元されました(Sheets or views created, modified or restored)。レイアウト シートまたはビューが作成、変更、または復元された時点でサムネイル プレビューを更新します。
図面が保存された場合(When drawing is saved)。図面が保存された時点でサムネイル プレビューを更新します。
すべてのオプションを選択解除すると、サムネイル プレビューは更新されません。
OK をクリックします。
その他のオプション: 点、単位系、座標系、図面尺度リスト、標準コンフィギュレーション
点エンティティのサイズとフォーマットを設定するには:
PointFormat コマンドを参照してください。このコマンドは、 オプション(Options) ダイアログ ボックスの対応するセクションを開きます。
図面で使用する単位系を設定するには:
UnitSystem コマンドを参照してください。このコマンドは、 オプション(Options) ダイアログ ボックスの対応するセクションを開きます。
CCS を管理するには:
CSStyle コマンドを参照してください。このコマンドは、 オプション(Options) ダイアログ ボックスの対応するセクションを開きます。
図面尺度リストをカスタマイズするには:
EditScaleList コマンドを参照してください。このコマンドは、 オプション(Options) ダイアログ ボックスの対応するセクションを開きます。
現在の図面で図面の標準の検証をセットアップするには:
DrawingStandards コマンドを参照してください。このコマンドは、 オプション(Options) ダイアログ ボックスの対応するセクションを開きます。
寸法スナップ オフセット距離
寸法位置スナップを設定するには:
寸法線は、測定した直線エンティティからの距離または連続した寸法線の間を指定して、また半径/直径寸法では角度を指定して配置できます。
次のいずれかを実行します。
ツール > オプション**をクリックします(または **Options と入力します)。
オプション(Options) ダイアログ ボックスで、作図設定(Drawing Settings)
をクリックします。DrawingSettings と入力します。
**寸法スナップ オフセット距離(Dimension Snap Offset Distances)**を展開します。
**オフセット距離使用可能(Enable offset distances)**にするかかどうかを指定します。
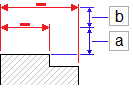
**オフセット距離(Offset Distances)**で以下を設定します。
Offset of the first dimension line from a measured linear entity.
連続する寸法線間のオフセット距離。

デフォルトのオフセット距離は、エンティティと最初の寸法線間が 0.40 インチ(10 mm)、寸法線間が 0.25 インチ(6 mm)です。
**半径/直径スナップ角度(Radial/diameter snap angle)**で、半径方向の位置に半径および直径寸法をドラッグするときに使用する、スナップ角度の間隔を設定します。デフォルトのスナップ角度は 15° です。
中心線設定
中心線を設定するには:
次のいずれかを実行します。
ツール > オプション**をクリックします(または **Options と入力します)。
オプション(Options) ダイアログ ボックスで、作図設定(Drawing Settings)
をクリックします。DrawingSettings と入力します。
**中心線(Centerlines)**を展開します。
輪郭を定義するエンティティを越えるには、**延長(Extension)**で中心線の延長を指定します。
矢印キーの動き
矢印キーの動きを設定するには:
次のいずれかを実行します。
ツール > オプション**をクリックします(または **Options と入力します)。
オプション(Options) ダイアログ ボックスで、作図設定(Drawing Settings)
をクリックします。DrawingSettings と入力します。
矢印キーの動き(Arrow Key Movement) では次を設定できます:
矢印キー増分(Arrow Key Increment)。正の値を指定して、矢印キーを使用してエンティティを移動します。選択したエンティティが移動する距離を指定します(Shift + Arrow キー)
例えば、矢印キー増分(Arrow Key Increment)**を 2.5 に設定した場合、**Shift + **矢印**を一度押すと、選択したエンティティは矢印の方向に直角に 2.5 単位移動します。
ページ上/下増分(Page up/down increment)。矢印キー増分の増倍率を指定します。
例えば、矢印キー増分(Arrow Key Increment)**を 2.5 に、**ページ上/下増分(Page up/down increment)**を 2 に設定した場合、**Shift + **矢印**を一度押すと、選択したエンティティは矢印の方向に直角に 5 単位移動します。
ツール > オプション**をクリックします(または **Options と入力します)。
アクセス
コマンド: DrawingSettings または Options
メニュー: ツール(Tools) > オプション(Options)
リボン: 管理(Manage) > カスタマイズ(Customization) > オプション(Options)
関連トピック
ユーザー インタフェースのカスタマイズ(Customizing the User Interface)
親トピック
ユーザー プリファレンスとシステム オプションの設定(Setting User Preferences and System Options)