作図設定の定義(Defining Drawing Settings)
オプション(Options)ダイアログボックの作図設定(Drawing Settings)ページでは、特定の図面コマンドの動作、特定の作図エンティティの外観、現在の図面の単位系を確認し、カスタム座標系(CCS)の管理、図面尺度リストのカスタマイズ、図面標準の検証の設定を行うことができます。
動作
一部の図面コマンドの動作を設定し線尺度オプションを設定するには:
- 次のいずれかを実行します。
-
ツール > オプションをクリックします(または Options と入力します)。
アプリケーション メニュー > 設定をクリックします(または Options と入力します)。
オプション(Options)ダイアログ ボックスで、作図設定(Drawing Settings)
をクリックします。
- DrawingSettings と入力します。
- 動作(Behavior)を展開し、相対寸法を有効化(Enable relative dimensions)を選択または選択解除します。これにより作成する寸法は測定されたエンティティと関連づけられます。
- 線種パラメータ(LineStyle Parameters)を展開し、次の設定を行います。
- グローバル線尺度(Global line scale)。線種を表示する尺度係数の値を設定します。拡大、縮小表示する際に便利です。
- 新しいエンティティの線尺度(Line scale for new entities)。新しいエンティティの線尺度を設定します。すべてのエンティティの線尺度は、グローバル線尺度(Global line scale)にエンティティの線尺度をかけたものに基づいて表示されます。
- シートの単位に基づいた尺度設定(Scale based on sheet's units)。ビューポートのカスタム尺度に新しいエンティティの線尺度(Line scale for new entities)の評価値をかけたものです。
- 図面境界(Drawing Boundary)では次を設定できます:
- 図面境界を有効(Enable drawing boundary): 作図エンティティを位置(Position)で設定された境界内に制限します。
- 位置(Position): 図面境界線を設定します。座標を指定するか、またはグラフィックス領域内で選択(Select in graphics area)
をクリックして、境界をグラフィックス領域内で設定します。
- エンティティ フレーム制御(Entity Frame Control)を展開します。これにより、イメージ、OLE オブジェクト、PDF アンダーレイ、DGN アンダーレイのフレーム表示を設定できます。
- フレームを表示および印刷しない: グラフィックス領域と印刷出力で、エンティティ境界のフレームを非表示にします。
- フレームを表示するが印刷はしない(Display but do not print frame): グラフィックス領域ではエンティティ境界のフレームを表示しますが、印刷出力では非表示にします。
- フレームを表示および印刷する(Display and print frame): グラフィックス領域と印刷出力で、エンティティ境界のフレームを表示します。
- OK をクリックします。
表示
表示オプションを設定するには:
- 次のいずれかを実行します。
-
ツール > オプションをクリックします(または Options と入力します)。
アプリケーション メニュー > 設定をクリックします(または Options と入力します)。
オプション(Options)ダイアログ ボックスで、作図設定(Drawing Settings)
をクリックします。
- DrawingSettings と入力します。
- 表示(Display)を展開し、次の設定を行います。
- 座標系アイコン(Coordinate System Icon)を展開し、次の設定を行います。
- アイコンを表示(Display icons)。モデル(Model)およびシート(Sheet)タブで座標系アイコンを表示します。
- アイコンを原点に表示(Display icons at origin)。座標系アイコンをグラフィックス領域の原点の位置に常に表示します。
- アクティブに表示されているすべてのビューに変更を適用(Apply changes to all actively displayed views)。アイコンを表示(Display icons)とアイコンを原点に表示(Display icons at origin)の設定をすべてのビューに適用します。
- サムネイル(Thumbnail)を展開し、サムネイル プレビューの更新タイミングを指定します:
- モデル空間ビュー(Model space views)。モデル ビューのサムネイル プレビューを更新します。
- シート ビュー(Sheet views)。シート ビューのサムネイル プレビューを更新します。
- シート(Sheets)。レイアウト シートのサムネイル プレビューを更新します。
- シートまたはビューが作成、変更、または復元されました(Sheets or views created, modified or restored)。レイアウト シートまたはビューが作成、変更、または復元された時点でサムネイル プレビューを更新します。
- 図面が保存された場合(When drawing is saved)。図面が保存された時点でサムネイル プレビューを更新します。
すべてのオプションを選択解除すると、サムネイル プレビューは更新されません。
- OK をクリックします。
その他のオプション: 点、単位系、座標系、図面尺度リスト、標準コンフィギュレーション
点エンティティのサイズとフォーマットを設定するには:
図面で使用する単位系を設定するには:
CCS を管理するには:
図面尺度リストをカスタマイズするには:
現在の図面で図面の標準の検証をセットアップするには:
寸法スナップ オフセット距離
寸法位置スナップを設定するには:
寸法位置スナップを設定するには(Professional、Premium、Enterprise および Enterprise Plus):
寸法線は、測定した直線エンティティからの距離または連続した寸法線の間を指定して、また半径/直径寸法では角度を指定して配置できます。
寸法境界ボックスおよび対応するオプションも、コンテキスト メニューから使用できます。
- 次のいずれかを実行します。
-
ツール > オプションをクリックします(または Options と入力します)。
アプリケーション メニュー > 設定をクリックします(または Options と入力します)。
オプション(Options)ダイアログ ボックスで、作図設定(Drawing Settings)
をクリックします。
- DrawingSettings と入力します。
- 寸法スナップ オフセット距離(Dimension Snap Offset Distances)を展開します。
- オフセット距離使用可能(Enable offset distances)にするかかどうかを指定します。
- オフセット距離(Offset Distances)で以下を設定します。
- 測定した線形エンティティから最初の寸法線のオフセット。
- 連続した寸法線間のオフセット距離。

デフォルトのオフセット距離は、エンティティと最初の寸法線間が 0.40 インチ(10 mm)、寸法線間が 0.25 インチ(6 mm)です。
- 半径/直径スナップ角度(Radial/diameter snap angle)で、半径方向の位置に半径および直径寸法をドラッグするときに使用する、スナップ角度の間隔を設定します。デフォルトのスナップ角度は 15° です。
- 境界ボックス(Bounding Box)で、次の設定を行います。
- 寸法境界ボックスを有効化(Enable dimension bounding box)。寸法境界ボックスを操作するツールの使用を有効にします。コンテキスト メニューの対応するオプションを使用できます。
- 寸法境界ボックスを表示(Show dimension bounding box)。すべての境界ボックスを図面に表示します。
- サムホイール オフセット間隔(Thumbwheel offset spacing)(Professional、Premium、Enterprise および Enterprise Plus)で、サムホイールを寸法パレットで回転するときに増減値として使用する値を指定します。
サムホイールを使用して、ジオメトリの最初の寸法線間のオフセット距離、そしてその後に続く寸法線間のオフセット距離を拡大または縮小します。
使用する標準の図面テンプレート ファイルに応じて、デフォルトのサムホイール間隔増減値は 0.10 インチ(2.54 mm)です。
寸法を自動分割
寸法をジオメトリの反対側にドラッグしたときの動作を設定するには(Professional、Premium、Enterprise および Enterprise Plus):
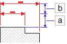
正しい外観を維持しながら寸法をジオメトリの反対側にドラッグできます。寸法の補助線のギャップが維持され、寸法補助線がジオメトリと重ならないように調整されます。
さらに、寸法をジオメトリの反対側にドラッグしたときに、他のエンティティとのすべての交差において補助線の分割を自動作成することもできます。
- 次のいずれかを実行します。
-
ツール > オプションをクリックします(または Options と入力します)。
アプリケーション メニュー > 設定をクリックします(または Options と入力します)。
オプション(Options)ダイアログ ボックスで、作図設定(Drawing Settings)
をクリックします。
- DrawingSettings と入力します。
- 寸法を自動分割(Auto Split Dimensions)を展開します。
- 寸法の自動分割を有効化(Enable auto split dimensions)するかどうかを指定します。
例:
直列寸法をジオメトリの反対側にドラッグ


複数のエンティティ上に長さ寸法をドラッグ

中心線設定
中心線を設定するには:
- 次のいずれかを実行します。
-
ツール > オプションをクリックします(または Options と入力します)。
アプリケーション メニュー > 設定をクリックします(または Options と入力します)。
オプション(Options)ダイアログ ボックスで、作図設定(Drawing Settings)
をクリックします。
- DrawingSettings と入力します。
- 中心線(Centerlines)を展開します。
- 輪郭を定義するエンティティを越えるには、延長(Extension)で中心線の延長を指定します。
矢印キーの動き
矢印キーの動きを設定するには:
矢印キーの動きを設定するには(Professional、Premium、Enterprise および Enterprise Plus):
- 次のいずれかを実行します。
-
ツール > オプションをクリックします(または Options と入力します)。
アプリケーション メニュー > 設定をクリックします(または Options と入力します)。
オプション(Options)ダイアログ ボックスで、作図設定(Drawing Settings)
をクリックします。
- DrawingSettings と入力します。
- 矢印キーの動き(Arrow Key Movement) では次を設定できます:
- 矢印キー増分(Arrow Key Increment)。正の値を指定して、矢印キーを使用してエンティティを移動します。選択したエンティティが移動する距離を指定します(Shift + Arrow キー)
例えば、矢印キー増分(Arrow Key Increment)を 2.5 に設定した場合、Shift + 矢印を一度押すと、選択したエンティティは矢印の方向に直角に 2.5 単位移動します。
- ページ上/下増分(Page up/down increment)。矢印キー増分の増倍率を指定します。
例えば、矢印キー増分(Arrow Key Increment)を 2.5 に、ページ上/下増分(Page up/down increment)を 2 に設定した場合、Shift + 矢印を一度押すと、選択したエンティティは矢印の方向に直角に 5 単位移動します。
検索(Find)オプションを使用して、オプション(Options)ダイアログ ボックス内のアイテムを検索します。
コマンド: DrawingSettings または Options
メニュー: ツール(Tools) > オプション(Options)
メニュー: アプリケーション メニュー(Application Menu) > プリファレンス(Preferences)