Definiowanie ustawień rysunku
Funkcje dostępne w zakładce Ustawienia rysunku okna dialogowego Opcje, pozwalają na określenie ogólnych ustawień rysunku, definiowanie ustawień układu jednostek, zarządzanie niestandardowymi układami współrzędnych (NUW), definiowanie własnych skali rysunkowych, oraz ustawianie standardów rysunkowych wykorzystywanych podczas weryfikacji.
Ustawienia ogólne
W celu określenia ogólnych ustawień rysunku oraz ustawienia opcji skalowania linii należy:
- Wykonać jedną z poniższych czynności:
-
Korzystając z menu, wybrać Narzędzia > Opcje, albo wpisać Opcje (Options)
Wybrać Menu aplikacji > Opcje, albo wpisać Opcje (Options)
W oknie dialogowym Opcje, wybrać zakładkę Ustawienia rysunku

- Wpisać w linii poleceń UstawieniaRysunku (DrawingSettings)
-
- Rozwinąć sekcję Ustawienia ogólne, oraz zaznaczyć lub odznaczyć opcję Włącz powiązanie wymiarów z obiektami. Funkcja określa czy wprowadzane wymiary mają mieć powiązania z wymiarowanymi elementami.
- Rozwinąć sekcję Parametry stylu linii, oraz ustawić poniższe opcje:
- Globalna skala linii: Określa wartość współczynnika skali stosowanego podczas wyświetlania stylów linii. Opcja ułatwia ustawienie właściwego wyświetlania linii w trakcie powiększania lub pomniejszania widoku rysunku.
- Skala linii dla nowych elementów: Określa wartość współczynnika skali linii dla nowych obiektów rysunkowych. Efektywny współczynnik skali stosowany przy wyświetlaniu każdego obiektu liniowego, jest iloczynem globalnej skali linii oraz skali linii przypisanej do danego obiektu.
- Skala na bazie jednostek arkusza: Powoduje przemnożenie indywidualnej skali określonej przez użytkownika dla wybranej rzutni rysunku, przez wartość współczynnika wprowadzoną w polu Skala linii dla nowych elementów.
- Rozwinąć sekcję Granice rysunku, oraz ustawić poniższe opcje:
- Włącz granice rysunku: Ogranicza możliwość rysowania obiektów tylko do wnętrza obszaru określonego w polu Zakres granic rysunku.
- Zakres: Ustawia obszar definiujący granice aktualnego rysunku. Należy wpisać współrzędne przeciwległych narożników, albo nacisnąć przycisk Określ w obszarze graficznym
, aby wskazać wybrany wierzchołek bezpośrednio w rysunku.
- Rozwinąć sekcję Sterowanie ramką elementu: Umożliwia ustawienie opcji widoczności ramki dla obrazów rastrowych, obiektów OLE, podkładów PDF, oraz podkładów DGN.
- Nie wyświetlaj ani nie drukuj ramki: Ukrywa zewnętrzne ramki obiektów zarówno w widoku rysunku, jak i na wydruku.
- Wyświetl, ale drukuj ramki: Pokazuje zewnętrzne ramki obiektów w widoku rysunku, ale ukrywa je na wydruku.
- Wyświetl i drukuj ramkę: Pokazuje ramki zewnętrzne obiektów zarówno w widoku rysunku, jak i na wydruku.
- Nacisnąć przycisk OK.
Ustawienia wyświetlania
W celu ustawienia opcji wyświetlania należy:
- Wykonać jedną z poniższych czynności:
-
Korzystając z menu, wybrać Narzędzia > Opcje, albo wpisać Opcje (Options)
Wybrać Menu aplikacji > Opcje, albo wpisać Opcje (Options)
W oknie dialogowym Opcje, wybrać zakładkę Ustawienia rysunku

- Wpisać w linii poleceń UstawieniaRysunku (DrawingSettings)
-
- Rozwinąć sekcję Wyświetlanie, oraz ustawić poniższe opcje:
- Pokaż zakładki modelu i arkuszy. Włącza lub wyłącza wyświetlanie zakładek Model oraz Arkusz.
- Widoczność atrybutów bloku:
- Normalna: Korzysta z ustawień widoczności określonych w definicji atrybutu bloku.
- Wł: Pokazuje wszystkie atrybuty bloków, bez względu na ustawienia widoczności określone w definicjach tych atrybutów (wyświetla również atrybuty niewidoczne).
- Brak: Ukrywa wszystkie atrybuty bloków.
- Wygładzenie renderowanych elementów: Określa stopień wygładzenia zakrzywionych powierzchni stosowany w renderingu oraz w widoku cieniowanym. Ustawienie wpływa na sposób wyświetlania obiektów bryłowych 3D w rysunku. Należy wpisać wartość z przedziału od 0.1 do 10.0. Domyślna wartość dla tego ustawienia wynosi 0.5.
- Rozwinąć sekcję Ikona układu współrzędnych, oraz ustawić poniższe opcje:
- Wyświetlaj ikonę: Pokazuje ikonę układu współrzędnych w zakładce Model, oraz w każdej zakładce Arkusz.
- Wyświetlaj ikonę w początku układu: Pokazuje ikonę układu zawsze w punkcie określającym początek układu współrzędnych.
- Zastosuj zmiany do wszystkich aktualnie wyświetlanych widoków: Wprowadza w widokach wszystkich rzutni aktualne ustawienia opcji Wyświetlaj ikonę oraz Wyświetlaj ikonę w początku układu.
- Rozwinąć sekcję Miniaturowe okna podglądu, oraz określić opcje aktualizacji widoków podglądu:
- Widoki w przestrzeni modelu: Włącza aktualizację miniaturowych okien podglądu dla rzutni w obszarze modelu.
- Widoki w przestrzeni arkuszy: Włącza aktualizację miniaturowych okien podglądu dla rzutni w obszarze arkusza.
- Arkusze: Włącza aktualizację miniaturowych okien podglądu dla całych arkuszy.
- Arkusze oraz widoki, utworzone, zmodyfikowane, oraz przywrócone: Włącza aktualizację miniaturowych okien podglądu w przypadku utworzenia nowych, modyfikacji istniejących oraz przywrócenia całych arkuszy lub poszczególnych rzutni arkusza.
- Podczas zapisywania rysunku: Włącza aktualizację miniaturowych okien podglądu w trakcie zapisywania aktualnego rysunku.
Jeśli żadna z powyższych opcji nie zostanie zaznaczona, miniaturowe okna podglądu rysunku nie będą aktualizowane.
- Nacisnąć przycisk OK.
Inne opcje: Znaczniki punktowe, system jednostek, układ współrzędnych, lista skali rysunku, standardy rysunkowe
W celu ustawienia formatu oraz wielkości znaczników punktowych należy:
- Skorzystać z ustawień okna dialogowego Opcje, opisanych w sekcji pomocy Ustawianie formatu znaczników punktowych.
W celu określenia ustawień systemu jednostek używanego w rysunku należy:
- Skorzystać z ustawień okna dialogowego Opcje, opisanych w sekcji pomocy Ustawianie jednostek oraz dokładności.
W celu modyfikacji ustawień niestandardowych układów współrzędnych (NUW) należy:
- Skorzystać z ustawień okna dialogowego Opcje, opisanych w sekcji pomocy Zarządzanie niestandardowymi układami współrzędnych.
W celu dostosowania listy skali aktualnego rysunku do własnych potrzeb należy:
- Skorzystać z ustawień okna dialogowego Opcje, opisanych w sekcji pomocy Dostosowanie listy skali używanej w rysunku.
W celu skonfigurowania ustawień weryfikacji standardów dla aktualnego rysunku należy:
- Skorzystać z ustawień okna dialogowego Opcje, opisanych w sekcji pomocy Korzystanie ze standardów rysunkowych.
Automatyczne rozsuwanie linii wymiarowych
Funkcja pozwala na ustawienie stałej odległości pomiędzy linią wymiarową i wymiarowanym obiektem, określenie odległości pomiędzy kolejnymi liniami wymiarowymi, oraz kąta dla odnośnika w wymiarach średnicy lub promienia.
- Wykonać jedną z poniższych czynności:
-
Korzystając z menu, wybrać Narzędzia > Opcje, albo wpisać Opcje (Options)
Wybrać Menu aplikacji > Opcje, albo wpisać Opcje (Options)
W oknie dialogowym Opcje, wybrać zakładkę Ustawienia rysunku

- Wpisać w linii poleceń UstawieniaRysunku (DrawingSettings)
-
- Rozwinąć sekcję Automatyczne rozsuwanie linii wymiarowych.
- Zaznaczyć opcję Włącz automatyczne rozsuwanie linii wymiarowych.
- W sekcji Wielkość odsunięcia określić:
- Odsunięcie pierwszej linii wymiarowej od mierzonego obiektu liniowego.
- Odsunięcie kolejnych linii wymiarowych od siebie.

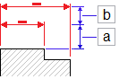
Domyślna wartość odsunięcia pierwszej linii wymiarowej od mierzonego obiektu wynosi 10 mm (0.40 cala), a kolejnych linii wymiarowych od siebie 6 mm (0.25 cala).
- W polu Kąt odsunięcia dla wymiaru promienia/średnicy, określić kąt przyrostowy stosowany do przyciągania linii wymiarowej promienia lub średnicy wokół wymiarowanego obiektu. Domyślna wartość dla kąta odsunięcia wynosi 15°.
Ustawienia linii środkowej
- Wykonać jedną z poniższych czynności:
-
Korzystając z menu, wybrać Narzędzia > Opcje, albo wpisać Opcje (Options)
Wybrać Menu aplikacji > Opcje, albo wpisać Opcje (Options)
W oknie dialogowym Opcje, wybrać zakładkę Ustawienia rysunku

- Wpisać w linii poleceń UstawieniaRysunku (DrawingSettings)
-
- Rozwinąć sekcję Ustawienia linii środkowej.
- Określić w polu Wydłużenie długość fragmentu linii środkowej wykraczającego poza obiekty tworzące kontur elementu.
Przesuwanie za pomocą klawiszy strzałek
- Wykonać jedną z poniższych czynności:
-
Korzystając z menu, wybrać Narzędzia > Opcje, albo wpisać Opcje (Options)
Wybrać Menu aplikacji > Opcje, albo wpisać Opcje (Options)
W oknie dialogowym Opcje, wybrać zakładkę Ustawienia rysunku

- Wpisać w linii poleceń UstawieniaRysunku (DrawingSettings)
-
- Rozwinąć sekcję Przesuwanie za pomocą klawiszy strzałek, oraz ustawić poniższe opcje:
- Przesunięcie - klawisze strzałek: Określa dodatnią wartość jednostkowego przesunięcia, podczas przenoszenia obiektów za pomocą strzałek umieszczonych na klawiaturze. Określa odległość, na którą zostają przeniesione zaznaczone elementy po wciśnięciu kombinacji klawiszy Shift + Strzałka
Na przykład, ustawienie opcji Przesunięcie - klawisze strzałek na wartość 2.5 powoduje, że po wciśnięciu i przytrzymaniu klawisza Shift oraz jednokrotnym naciśnięciu wybranego klawisza Strzałka, zaznaczone obiekty zostaną przeniesione o 2.5 jednostki w kierunku określonym przez strzałkę.
- Przesunięcie - 'PageUp/PageDown': Określa wartość mnożnika zwiększającego, lub zmniejszającego, wartość jednostkowego przesunięcia, stosowanego podczas przenoszenia obiektów za pomocą klawiszy strzałek.
Na przykład, ustawienie opcji Przesunięcie - klawisze strzałek na wartość 2.5 , oraz opcji Przesunięcie - 'PageUp/PageDown' na wartość 2, powoduje, że jednorazowe przyciśniecie kombinacji klawiszy Shift + PgUp dwukrotnie zwiększa wartość przesunięcia jednostkowego stosowanego przy przesuwaniu zaznaczonych elementów za pomocą strzałek (z 2.5 do 5 jednostek przy jednym przyciśnięciu).
- Przesunięcie - klawisze strzałek: Określa dodatnią wartość jednostkowego przesunięcia, podczas przenoszenia obiektów za pomocą strzałek umieszczonych na klawiaturze. Określa odległość, na którą zostają przeniesione zaznaczone elementy po wciśnięciu kombinacji klawiszy Shift + Strzałka
Wpisanie w polu Znajdź fragmentu nazwy poszukiwanej opcji, ułatwia odnalezienie właściwej sekcji okna dialogowego Opcje, powiązanej z wyszukiwanym parametrem.
Uruchamianie komendy
Polecenie: UstawieniaRysunku (DrawingSettings), lub Opcje (Options)
Menu: Narzędzia > Opcje
Menu: Menu aplikacji > Opcje


