Definir configura‡”es de desenho
A p gina Configura‡”es de desenho da caixa de di logo Op‡”es permite definir o comportamento de determinados comandos de desenho, a aparˆncia de determinadas entidades de desenho e o sistema de unidades do desenho atual, gerenciar sistemas de coordenadas personalizados (CCSs), personalizar a lista de escala do desenho e configurar a verifica‡„o de padr”es de desenho.
Comportamento
Para definir o comportamento de determinados comandos de desenho e estabelecer op‡”es de escala de linha:
- Siga um destes procedimentos:
-
Clique em Ferramentas > Op‡”es (ou digite Op‡”es).
Clique em Menu do aplicativo > Preferˆncias (ou digite Op‡”es).
Na caixa de di logo Op‡”es, clique em Configura‡”es do desenhoÿ
.
- Digite Configura‡”esDesenho.
- Expanda Comportamento e selecione ou desmarque Ativar cotas relativas. Isso especifica que as cotas criadas devem ser associadas …s entidades medidas.
- Expanda Parƒmetros de EstiloLinha e defina:
- Escala de linha global. define um fator de escala para exibi‡„o de EstilosLinha. Isso ‚ £til quando vocˆ faz zoom de aproxima‡„o ou de afastamento.
- Escala de linha para novas entidades. define a escala de linha para novas entidades. Todas as escalas de linha de entidades s„o exibidas com base na multiplica‡„o da Escala de linha global pela escala de linha da entidade.
- Escala baseada nas unidades da folha. Multiplica a escala personalizada da viewport pelo valor calculado da Escala de linha para novas entidades.
- Expanda Limite do desenho e defina:
- Ativar limite do desenho: Restringe o desenho das entidades para dentro do limite definido em Posi‡„o.
- Posi‡„o: define as bordas dos limites do desenho. Especifique as coordenadas ou clique em Selecionar na rea de gr ficos
para definir os limites na rea de gr ficos.
- Expanda Controle de quadros de entidade. Isso permite definir a visibilidade dos quadros para imagens, objetos OLE, subcamadas de PDF e subcamadas de DGN.
- N„o exibir e imprimir quadro: Oculta o quadro nas bordas da entidade na rea de gr ficos e em impress”es.
- Exibir, mas n„o imprimir quadro: Exibe o quadro nas bordas da entidade na rea de gr ficos, mas o deixa oculto em c¢pias impressas.
- Exibir e imprimir quadro: Mostra o quadro nas bordas da entidade na rea de gr ficos e em impress”es.
- Clique em OK.
Exibir
Para definir as op‡”es de exibi‡„o:
- Siga um destes procedimentos:
-
Clique em Ferramentas > Op‡”es (ou digite Op‡”es).
Clique em Menu do aplicativo > Preferˆncias (ou digite Op‡”es).
Na caixa de di logo Op‡”es, clique em Configura‡”es do desenhoÿ
.
- Digite Configura‡”esDesenho.
- Expanda Exibi‡„o e defina:
- Expanda ‹cone do sistema de coordenadas e defina:
- Exibir ¡cones. Exibe ¡cones do sistema de coordenadas nas guias Modelo e Folha.
- Exibir ¡cones na origem. Sempre exibe os ¡cones do sistema de coordenadas no local de origem na rea de gr ficos.
- Aplicar altera‡”es a todas as vistas exibidas ativamente. Aplica as configura‡”es de Exibir ¡cones e Exibir ¡cones na origem a todas as vistas.
- Expanda Miniatura para especificar quando as visualiza‡”es de miniatura s„o atualizadas:
- Vistas do espa‡o do modelo. Atualiza visualiza‡”es de miniatura para Vistas do modelo.
- Vistas de folha. Atualiza visualiza‡”es miniatura para visualiza‡”es de Folha de layout.
- Folhas. Atualiza visualiza‡”es de miniatura para Folhas de layout.
- Folhas ou visualiza‡”es criadas, modificadas ou restauradas. Atualiza visualiza‡”es e miniatura quando Folhas ou vistas de layout s„o criadas, modificadas ou restauradas.
- Quando o desenho ‚ salvo. Atualiza visualiza‡”es de miniatura quando o desenho ‚ salvo.
Se vocˆ desmarcar todas as op‡”es, as visualiza‡”es de miniatura n„o s„o atualizadas.
- Clique em OK.
Mais op‡”es: Pontos, Sistema da Unidade, Sistema de Coordenadas, Lista de Escala de Desenho, Configura‡„o de Padr”es
Para definir o formato e o tamanho de entidades de ponto:
- Consulte o comando FormatoPonto, que abre a se‡„o correspondente da caixa de di logo Op‡”es.
Para configurar o SistemaUnidades usado no desenho:
Para gerenciar CCSs:
- Consulte o comando EstiloCS, que abre a se‡„o correspondente da caixa de di logo Op‡”es.
Para personalizar a Lista de escalas do desenho:
Para configurar a verifica‡„o de Padr”es de desenho para o desenho atual:
Distƒncias de offset de snap de dimens„o
Para definir preferˆncias para o modo snap de dimens„o local:
Para definir preferˆncias para o snap … localiza‡„o da dimens„o (Professional, Premium, Enterprise e Enterprise Plus):
Vocˆ pode for‡ar as linhas de dimens„o e coloc -las em distƒncias especificadas das entidades lineares medidas e entre as sucessivas linhas de dimens„o ou em ƒngulos determinados para dimens”es de raio e diƒmetro.
Vocˆ tamb‚m pode usar caixas delimitadoras de dimens„o e as op‡”es correspondentes do menu de contexto.
- Siga um destes procedimentos:
-
Clique em Ferramentas > Op‡”es (ou digite Op‡”es).
Clique em Menu do aplicativo > Preferˆncias (ou digite Op‡”es).
Na caixa de di logo Op‡”es, clique em Configura‡”es do desenhoÿ
.
- Digite Configura‡”esDesenho.
- Expanda Distƒncias de offset do modo snap de dimens„o.
- Especifique se deseja Ativar as distƒncias de offset.
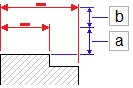
- Em Distƒncias de deslocamento, defina o:
- Offset da primeira linha de dimens„o de uma entidade linear medida.
- Distƒncia de offset entre sucessivas linhas de dimens„o.

As distƒncias de offset predeterminadas s„o de 10 mm (0,40 polegadas) entre a entidade e a primeira linha de dimens„o e 6 mm (0,25 polegadas) entre as dimens”es.
- Em ngulo de snap de diƒmetro/radial, defina os intervalos de ƒngulo de snap para quando vocˆ arrastar as dimens”es de raio e diƒmetro ao longo de locais radiais. O valor predeterminado do ƒngulo de snap ‚ de 15ø.
- Em Caixa delimitadora, defina:
- Ativar caixa delimitadora de dimens„o. Permite o uso de ferramentas para trabalhar com caixas delimitadoras de dimens„o. As op‡”es correspondentes est„o dispon¡veis no menu de contexto.
- Exibir caixa delimitadora de dimens„o. Exibe todas as caixas delimitadoras no desenho.
- Em Espa‡amento de offset da roda auxiliar (Professional, Premium, Enterprise e Enterprise Plus), especifique um valor que seja usado como incremento ao girar a roda auxiliar na paleta Dimens„o.
Use a roda auxiliar para ampliar ou reduzir as distƒncias de deslocamento entre as primeiras linhas de dimens„o da geometria e
entre linhas de dimens„o sucessivas.
Dependendo do arquivo do modelo de desenho padr„o que vocˆ usa, os incrementos de espa‡amento padr„o da roda auxiliar s„o 0,10 pol ou 2,54 mm.
Autodividir dimens”es
Para definir o comportamento ao arrastar cotas do outro lado da geometria (Professional, Premium, Enterprise e Enterprise Plus):
Vocˆ pode arrastar dimens”es para o outro lado da geometria e ainda ter a aparˆncia correta. O software mant‚m as lacunas nas linhas de extens„o de dimens”es e impede que linhas de extens„o da dimens„o sobreponham a geometria.
Al‚m disso, vocˆ pode criar automaticamente divis”es nas linhas de extens„o ao arrastar dimens”es no outro lado da geometria, em todas as interse‡”es com outras entidades.
- Siga um destes procedimentos:
-
Clique em Ferramentas > Op‡”es (ou digite Op‡”es).
Clique em Menu do aplicativo > Preferˆncias (ou digite Op‡”es).
Na caixa de di logo Op‡”es, clique em Configura‡”es do desenhoÿ
.
- Digite Configura‡”esDesenho.
- Expanda Dividir dimens”es automaticamente.
- Especifique se deseja Ativar a op‡„o Dividir dimens”es automaticamente.
Exemplos:
Arrastar uma dimens„o cont¡nua no outro lado da geometria


Arrastar uma dimens„o linear em mais de uma entidade

Configura‡”es de linha de centro
Para definir preferˆncias para LinhasCentro:
- Siga um destes procedimentos:
-
Clique em Ferramentas > Op‡”es (ou digite Op‡”es).
Clique em Menu do aplicativo > Preferˆncias (ou digite Op‡”es).
Na caixa de di logo Op‡”es, clique em Configura‡”es do desenhoÿ
.
- Digite Configura‡”esDesenho.
- Expanda as Linhas de centro.
- Em Extens„o, especifique a extens„o para as Linhas de centro excederem as entidades que definem o contorno.
Movimento da tecla de seta
Para definir as preferˆncias de Movimento de tecla de seta:
Para definir preferˆncias para o movimento das teclas de seta (Professional, Premium, Enterprise e Enterprise Plus):
- Siga um destes procedimentos:
-
Clique em Ferramentas > Op‡”es (ou digite Op‡”es).
Clique em Menu do aplicativo > Preferˆncias (ou digite Op‡”es).
Na caixa de di logo Op‡”es, clique em Configura‡”es do desenhoÿ
.
- Digite Configura‡”esDesenho.
- Expanda Movimento da tecla de seta e defina:
- Incremento da tecla de seta. Especifica um valor positivo para mover as entidades usando as teclas de seta. Especifica a distƒncia de movimenta‡„o das entidades selecionadas (Shift + tecla de Seta)
Por exemplo, se vocˆ definir Incremento de tecla de seta para 2,5, pressionar Shift + tecla de Seta uma vez mover as entidades selecionadas em 2,5 unidades ortogonalmente, na dire‡„o da seta.
- Incremento de p gina para cima/baixo. Especifica um fator de multiplica‡„o para o incremento da tecla de seta.
Por exemplo, se vocˆ definir Incremento de tecla de seta para 2,5 e Incremento de p gina para cima/baixo para 2, pressionar Shift + tecla de Seta uma vez mover as entidades selecionadas em 5 unidades ortogonalmente, na dire‡„o da seta.
ÿÿUse a op‡„o Localizar para pesquisar os itens na caixa de di logo Op‡”es.
Comando: ConfigsDesenho, ou Op‡”es
Menu: Ferramentas > Op‡”es
Menu: Menu do aplicativo > Preferˆncias