Определение настроек чертежа

Страница Настройки чертежа диалогового окна Параметры позволяет задать поведение некоторых команд чертежа, отображение некоторых объектов чертежа, систему единиц измерения текущего чертежа, управление пользовательскими системами координат (ПСК), настроить список масштабов чертежа и проверку стандартов чертежа.

Поведение

Настройка поведения некоторых команд чертежа и выбор параметров масштабирования линий

  1. Выполните одно из следующих действий.
    • Выберите Инструменты > Параметры (или введите Options).

      Нажмите Меню приложения > Настройки (или введите Options).

      В диалоговом окне Параметры нажмите Настройки чертежа .

    • Введите DrawingSettings.
  2. Разверните Поведение и установите или снимите флажок Включить относительные размеры. При выборе данной настройки создаваемые размеры будут ассоциироваться с измеряемыми объектами.
  3. Разверните Параметры стиля линии и задайте следующие параметры:
    • Общая штриховая шкала. Выбор масштабного коэффициента отображения стилей линий. Данная настройка необходима для приближения и удаления.
    • Штриховая шкала для новых объектов. Настройка масштаба линий для новых объектов. Все масштабы линий объектов отображаются как результат умножения значений Общий масштаб линий и масштаба линий объекта.
    • Масштаб, основанный на единицах измерения листа. Умножение пользовательского масштаба видового экрана на оценочное значение Масштаба линий для новых объектов.
  4. Разверните Граница чертежа и установите следующие параметры:
    • Включить нанесение контура. Создание объектов ограничивается контуром, установленным с помощью параметра Положение.
    • Положение: настройка рамок границ чертежа. Укажите координаты или нажмите Выбрать в графической области , чтобы задать границы в графической области.
  5. Разверните Элемент управления рамками объекта. Это позволяет задать параметры видимости рамок для изображений, объектов OLE, PDF-оснований и DGN-оснований.
    • Не отображать и не печатать рамку: Скрытие рамки на границах объектов в графической области и в версиях для печати.
    • Отображать, но не печатать рамку: Отображение рамки на границах объектов в графической области, но скрытие при печати.
    • Отображать и печатать рамку: Отображение рамки на границах объектов в графической области или при печати.
  6. Нажмите ОК.

^ В начало страницы

Отображение

Настройка параметров отображения

  1. Выполните одно из следующих действий.
    • Выберите Инструменты > Параметры (или введите Options).

      Нажмите Меню приложения > Настройки (или введите Options).

      В диалоговом окне Параметры нажмите Настройки чертежа .

    • Введите DrawingSettings.
  2. Разверните Отображение и установите следующие параметры:
    • Отобразить вкладки модели и листа. включение и выключение отображения вкладок Модель и Лист.
    • Показать атрибуты блока:
      • Обычно. Использование настройки, выбранной в атрибуте блока.
      • Вкл. Отображение атрибутов блока независимо от настройки, выбранной в атрибуте блока, и того, являются ли они скрытыми.
      • Выкл. Скрытие атрибутов блока.
    • Гладкость отрисованного объекта. Укажите гладкость изогнутых поверхностей для визуализации и затенения. Данная настройка влияет на внешний вид трехмерных твердотельных объектов в чертеже. Укажите значение в диапазоне от 0,1 до 10,0. По умолчанию используется значение 0,5.

      Указанная гладкость также влияет на разрешение трехмерных твердых объектов при экспорте в файлы стереолитографии (.stl) с помощью команды ExportSTL.

  3. Разверните Значок системы координат и выберите:
    • Отобразить значки. Отображение значков системы координат во вкладках Модель и Лист.
    • Отобразить значки в исходной точке. Постоянное отображение значков системы координат в исходной точке графической области.
    • Применить изменения ко всем активно отображаемым видам. Применение настроек Отобразить значки и Отобразить значки в исходной точке ко всем видам.
  4. Разверните параметр Эскиз и укажите, когда будет обновляться предварительный просмотр эскизов:
    • Виды пространства модели. Обновление предварительного просмотра эскиза для видов модели.
    • Виды листа. Обновление предварительного просмотра эскиза для видов листа разметки.
    • Листы. Обновление предварительного просмотра эскиза для листов разметки.
    • Созданные, измененные или восстановленные листы и виды. Обновляет предварительный просмотр эскиза при создании, изменении или восстановлении видов или листа разметки.
    • При сохранении чертежа. Обновляет предварительный просмотр эскиза при сохранении чертежа.

    Если данный параметр не выбран, предварительные просмотры эскиза обновляться не будут.

  5. Нажмите ОК.

^ В начало страницы

Другие параметры: Точки, Система единиц измерения, Система координат, Список масштабов чертежа, Настройка стандартов

Настройка формата и размера элементов точки

Настройка системы единиц измерения, используемой в чертеже

Управление ПСК

Настройка списка масштабов чертежа:

Чтобы настроить проверку стандартов чертежа для текущего чертежа:

^ В начало страницы

Расстояния смещения привязки размеров

Чтобы задать предпочтения для привязки расположения размеров, выполните следующие действия.

Чтобы задать параметры для привязки расположения размеров (Professional, Premium, Enterprise и Enterprise Plus), выполните следующие действия.

Можно настроить принудительное размещение линий размеров на указанных расстояниях от измеренных линейных объектов и между последовательными линиями размеров или с указанными углами для размеров радиусов и диаметров.

Можно также использовать граничные рамки размеров и соответствующие параметры в контекстном меню.

  1. Выполните одно из следующих действий.
    • Выберите Инструменты > Параметры (или введите Options).

      Нажмите Меню приложения > Настройки (или введите Options).

      В диалоговом окне Параметры нажмите Настройки чертежа .

    • Введите DrawingSettings.
  2. Разверните Расстояния смещения привязки размеров.
  3. Укажите, следует ли Включить расстояния смещения.
  4. В разделе Расстояния смещения задайте параметры:
    1. смещение первой линии размера от измеренного линейного объекта,
    2. расстояние смещения между последовательными линиями размеров.

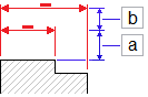
    По умолчанию расстояния смещения равны 10 мм между объектом и первой линией размера и 6 мм между размерами.

  5. В разделе Угол привязки радиуса/диаметра задайте интервалы углов привязки для использования при перетаскивании размеров радиусов и диаметров вдоль радиальных местоположений. По умолчанию угол привязки равен 15°.
  6. В разделе Граничная рамка установите:
    • Включить граничную рамку размера. Позволяет использовать инструменты для работы с граничными рамками размеров. Соответствующие параметры доступны в контекстном меню.
    • Отобразить граничную рамку размера. Отображает все граничные рамки на чертеже.
  7. В поле Интервал смещения дискового переключателя (Professional, Premium, Enterprise и Enterprise Plus) укажите значение, которое будет использоваться в качестве приращения при вращении дискового переключателя на палитре Размер.

    Используйте дисковый переключатель для увеличения или уменьшения расстояний смещения между первыми линиями размеров от геометрии и
    между последовательными линиями размеров.

    В зависимости от используемого стандартного файла шаблона чертежа шаг координатного манипулятора по умолчанию составляет 0,10 дюйма или 2,54 мм.

^ В начало страницы

Автоматическое разделение размеров

Чтобы настроить поведение при перетаскивании размеров на другой стороне геометрии (Professional, Premium, Enterprise и Enterprise Plus):

Размеры можно перетаскивать на другую сторону геометрии, и они по-прежнему будут иметь необходимый внешний вид. Программное обеспечение сохраняет зазоры в выносных линиях размеров и предотвращает перекрывание геометрии выносными линиями размеров.

Кроме того, при перетаскивании размеров на другую сторону геометрии на всех пересечениях с другими объектами можно автоматически создавать разрывы в выносных линиях.

  1. Выполните одно из следующих действий.
    • Выберите Инструменты > Параметры (или введите Options).

      Нажмите Меню приложения > Настройки (или введите Options).

      В диалоговом окне Параметры нажмите Настройки чертежа .

    • Введите DrawingSettings.
  2. Разверните Автоматическое разделение размеров.
  3. Укажите, следует ли Включить автоматическое разделение размеров.

Примеры:

Перетаскивание непрерывного размера на другой стороне геометрии

Перетаскивание линейного размера на более чем один объект

Параметры осевой линии

Чтобы задать настройки для осевых линий:

  1. Выполните одно из следующих действий.
    • Выберите Инструменты > Параметры (или введите Options).

      Нажмите Меню приложения > Настройки (или введите Options).

      В диалоговом окне Параметры нажмите Настройки чертежа .

    • Введите DrawingSettings.
  2. Разверните раздел Осевые линии.
  3. В разделе Расширение укажите расширение для осевых линий, которое будет превышать размеры объектов, определяющих контур.

^ В начало страницы

Перемещение клавиши со стрелкой

Чтобы задать настройки для перемещения клавиши со стрелкой:

Чтобы задать настройки для перемещения клавиши со стрелкой (Professional, Premium, Enterprise и Enterprise Plus):

  1. Выполните одно из следующих действий.
    • Выберите Инструменты > Параметры (или введите Options).

      Нажмите Меню приложения > Настройки (или введите Options).

      В диалоговом окне Параметры нажмите Настройки чертежа .

    • Введите DrawingSettings.
  2. Разверните Перемещение клавиши со стрелкой и укажите параметры:
    • Приращение клавиши со стрелкой. Указывает положительное значение для перемещения объектов с помощью клавиш со стрелками. Указывает расстояние, на которое перемещаются выбранные объекты (Shift + клавиша со стрелкой)

      Например, если для приращения клавиши со стрелкой задано значение 2,5, то при нажатии Shift + клавиша со стрелкой один раз выполняется перемещение выбранных объектов на 2,5 единицы ортогонально в направлении стрелки.

    • Приращение Page up/down. Указывает коэффициент умножения для приращения клавиши со стрелкой.

      Например, если для приращения клавиши со стрелкой задано значение 2,5, а для приращения Page up/down задано значение 2, то при нажатии Shift + клавиша со стрелкой один раз выполняется перемещение выбранных объектов на 5 единиц ортогонально в направлении стрелки.

^ В начало страницы

  С помощью параметра Найти можно выполнить поиск элементов в диалоговом окне Параметры.

Доступ

Команда: DrawingSettings или Options

Меню: Инструменты > Параметры

Меню: Меню приложения > Параметры

Связанные темы

Настройка интерфейса пользователя

Исходная тема

Выбор настроек пользователя и параметров системы