定义图形设置¶
:ref:`选项 <english_english_html_hlpid_adjust_options>`对话框的**图形设置**页面允许您设置某些图形命令的行为、某些图形对象的外观以及当前图形的单位制;管理自定义坐标系 (CCS);自定义图形缩放列表;以及设置图形标准验证。
行为
要设置某些图形命令的行为并设置线条缩放选项:
请执行以下操作之一:
单击**工具 > 选项**(或键入 Options)。
在:ref:`选项 <english_english_html_hlpid_adjust_options>`对话框中,单击**图形设置**
。键入 DrawingSettings。
展开**行为**并选择或清除**启用相关的标注**。这将指定您创建的标注与已测量的对象相关联。
展开**线条样式参数**并设置:
总体线条比例。设置显示线条样式的比例因子。这在放大和缩小时很有帮助。
新对象的线条比例。为新对象设置对象线条比例。所有对象的线条比例都会基于**总体线条比例**乘以对象线条比例进行显示。
基于图纸单位调整比例。将视口自定义比例与求出的**新对象的线条比例**的值相乘。
展开**图形边界**并设置:
启用图形边界:将您限制在**位置**中设置的边界内部的图形对象。
位置:设置图形边界。指定坐标或单击**在图形区域中选择**
,以在图形区域中设置边界。
展开**对象框架控制**。这能让您设置图像、OLE 对象、PDF 底图和 DGN 底图的框架可见性。
不要显示和打印框架:在图形区域和打印输出中隐藏对象边界的框架。
显示但不打印框架:在图形区域和打印输出中显示对象边界的框架,但在打印输出中将其隐藏。
显示并打印框架:在图形区域和打印输出中显示对象边界的框架。
单击**确定**。
显示
要设置显示选项:
请执行以下操作之一:
单击**工具 > 选项**(或键入 Options)。
在:ref:`选项 <english_english_html_hlpid_adjust_options>`对话框中,单击**图形设置**
。键入 DrawingSettings。
展开**显示**,然后设置:
显示模型和图纸选项卡。打开和关闭显示**模型**和**图纸**选项卡。
显示图块属性:
普通。使用图块属性中定义的设置。
开启。无论 BlockAttribute 中定义的设置如何,也无论它们是否隐藏,都显示 BlockAttributes。
关闭。隐藏图块属性。
渲染对象平滑度。指定曲线曲面的平滑度以进行渲染和着色。此设置会影响图形中 3D 实体对象的视觉外观。指定介于 0.1 和 10.0 之间的值。默认值为 0.5。
使用 ExportSTL 命令将 3D 实体对象导出到 stereolithography 文件 (.stl) 时,指定的平滑度也会影响它们的分辨率。
展开**坐标系图标**以设置以下内容:
显示图标。在**模型**和**图纸**选项卡中显示坐标系图标。
显示原点处的图标。始终在图形区域中的原点位置显示坐标系图标。
对所有当前显示的视图应用更改。将**显示图标**和**显示原点处的图标**应用到所有视图。
展开**缩略图**并指定在何时更新缩略图预览:
模型空间视图。更新模式视图的缩略图预览。
图纸视图。更新布局图纸视图的缩略图预览。
图纸。更新布局图纸的缩略图预览。
图纸或视图已创建、修改或恢复。在已创建、修改或恢复布局图纸或视图时更新缩略图预览。
图形已保存时。在图形已保存时更新缩略图预览。
如果您清除所有选项,则不更新缩略图预览。
单击**确定**。
更多选项:点、单位系统、坐标系统、图纸比例列表、标准配置
要设置点对象的格式和大小:
请参见 PointFormat 命令,此命令将打开:ref:`选项 <english_english_html_hlpid_adjust_options>`对话框的相应部分。
要设置图形中使用的单位制:
请参见 UnitSystem 命令,此命令将打开:ref:`选项 <english_english_html_hlpid_adjust_options>`对话框的相应部分。
要管理 CCS:
请参见 CSStyle 命令,此命令将打开:ref:`选项 <english_english_html_hlpid_adjust_options>`对话框的相应部分。
要自定义工程图缩放列表:
请参见 EditScaleList 命令,此命令将打开:ref:`选项 <english_english_html_hlpid_adjust_options>`对话框的相应部分。
要为当前图形设置图形标准验证:
请参见 DrawingStandards 命令,此命令将打开:ref:`选项 <english_english_html_hlpid_adjust_options>`对话框的相应部分。
标注捕捉偏移距离
要设置标注位置捕捉的首选项:
您可强制标注线位于连续的标注线之间,与测量的线性对象相距指定距离,或位于与半径和直径标注成指定角度的位置。
请执行以下操作之一:
单击**工具 > 选项**(或键入 Options)。
在:ref:`选项 <english_english_html_hlpid_adjust_options>`对话框中,单击**图形设置**
。键入 DrawingSettings。
展开**标注捕捉偏移距离**。
指定是否要**启用偏移距离**。
在**偏移距离**下,设置以下项:
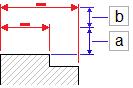
第一标注线距离被测线性实体的偏移量。
连续尺寸线之间的偏移距离。

对象与第一条标注线之间的默认偏移距离是 0.40 英寸(或 10 毫米),标注之间的默认偏移距离是 0.25 英寸(或 6 毫米)。
在**半径/直径捕捉角度**中,设置在您沿径向位置拖动半径和直径标注时所用的捕捉角度间隔。默认捕捉角度是 15°。
中心线设置
要设置中心线的首选项:
请执行以下操作之一:
单击**工具 > 选项**(或键入 Options)。
在:ref:`选项 <english_english_html_hlpid_adjust_options>`对话框中,单击**图形设置**
。键入 DrawingSettings。
展开**中心线**。
在**延伸**中,指定中心线的延伸线以超出定义轮廓的对象。
方向键移动
要为箭头键移动设置首选项:
请执行以下操作之一:
单击**工具 > 选项**(或键入 Options)。
在:ref:`选项 <english_english_html_hlpid_adjust_options>`对话框中,单击**图形设置**
。键入 DrawingSettings。
展开**箭头键移动**并设置:
单击**工具 > 选项**(或键入 Options)。
访问方式
命令:DrawingSettings 或 Options
菜单: 工具 > 选项
功能区:管理 > 自定义 > 选项
相关主题
自定义用户界面
父主题
设置用户首选项和系统选项