Definování nastavení výkresu¶
Stránka Nastavení výkresu v dialogovém okně Možnosti umožňuje nastavit chování určitých příkazů kreslení, vzhled určitých entit výkresu, systém jednotek aktuálního výkresu, správu uživatelského souřadného systému (CCS), přizpůsobení seznamu měřítek výkresu a ověřování norem kreslení.
Chování
Postup nastavení chování určitých příkazů ve výkresech a nastavení možností měřítka čar:
Proveďte jednu z následujících operací:
Klepněte na Nástroje > Možnosti (nebo zadejte Možnosti).
V dialogovém okně Možnosti klikněte na Nastavení výkresu
.Zadejte DrawingSettings.
Rozbalte položku Chování a vyberte nebo zrušte výběr možnosti Povolit relativní kóty. Tím určíte, že vámi vytvořené kóty jsou asociovány s měřenými entitami.
Rozbalte možnost Parametry stylu čáry a nastavte:
Globální měřítko čáry. Nastaví faktor měřítka pro zobrazení stylů čar. To je užitečné zejména při zoomování.
Měřítko čáry pro nové entity. Nastaví měřítko čáry pro nové entity. Všechna měřítka čar entit se zobrazí na základě násobení Globálního měřítka čáry měřítkem čáry entity.
Měřítko založené na jednotkách listu. Vynásobí vlastní měřítko výřezu vypočítanou hodnotou pro Měřítko čáry pro nové entity.
Rozbalte Ohraničení výkresu a nastavte:
Povolit ohraničení výkresu: Omezí vás na entity výkresu uvnitř ohraničení, nastavené v nabídce Umístění.
Umístění: Nastaví meze ohraničení výkresu. Určete souřadnice nebo klikněte na Vybrat na grafické ploše
a nastavte ohraničení v grafické ploše.
Rozbalte Řízení rámečků entit. Umožňuje nastavit viditelnost rámečku pro obrázky, objekty OLE, podklady PDF a podklady DGN.
Nezobrazovat a netisknout rámeček: Skrývá rámeček na ohraničení entit v grafické ploše a na výtiscích.
Zobrazit, ale netisknout rámeček: Zobrazí rámeček na ohraničení entit v grafické ploše, ale skryje ho na výtiscích.
Zobrazit a tisknout rámeček: Zobrazí rámeček na ohraničení entit v grafické ploše a na výtiscích.
Klikněte na tlačítko OK.
Zobrazení
Postup nastavení možností zobrazení:
Proveďte jednu z následujících operací:
Klepněte na Nástroje > Možnosti (nebo zadejte Možnosti).
V dialogovém okně Možnosti klikněte na Nastavení výkresu
.Zadejte DrawingSettings.
Rozbalte možnost Zobrazit a nastavte následující možnosti:
Zobrazit záložky listu a modelu. Zapíná a vypíná zobrazení záložek Model a List.
Zobrazit atributy bloku:
Normální. Použije nastavení definovaná v Atributu bloku.
Zap. Zobrazí atributy bloku bez ohledu na nastavení definovaná v Atributu bloku a bez ohledu na to, zda jsou skrytá.
Vyp. Skryje atributy bloku.
Vyhlazení vykreslené entity. Určete vyhlazení zaoblených povrchů pro vykreslování a stínování. Toto nastavení ovlivňuje vizuální vzhled 3D objemových objektů ve výkresu. Zadejte hodnotu v rozmezí 0,1 až 10,0. Výchozí hodnota je 0,5.
Určené vyhlazení má také vliv na rozlišení 3D objemových objektů při jejich exportování do souborů stereolitografie (.stl) pomocí příkazu ExportSTL.
Rozbalte možnost Ikona souřadného systému a nastavte následující možnosti:
Zobrazit ikony. Zobrazí ikony souřadného systému na záložkách Model a List.
Zobrazit ikony v počátku. Vždy zobrazí ikony souřadného systému v jejich počátečním umístění v grafické ploše.
Použít změny na všechny aktivně zobrazené pohledy. Aplikuje nastavení možností Zobrazit ikony a Zobrazit ikony v počátku na všechny pohledy.
Rozbalte Miniaturu a určete, kdy se aktualizují náhledy miniatur:
Pohledy prostoru modelu. Aktualizuje náhledy miniatur pro pohledy modelu.
Pohledy listů. Aktualizuje náhledy miniatur pro pohledy listu rozvržení.
Listy. Aktualizuje náhledy miniatur pro listy rozvržení.
Listy nebo pohledy vytvořené, upravené nebo obnovené. Aktualizuje náhledy miniatur při vytvoření, změně nebo obnovení listů rozvržení.
Při uložení výkresu. Aktualizuje náhledy miniatur při uložení výkresu.
Pokud zrušíte výběr všech možností, nebudou se náhledy miniatur aktualizovat.
Klikněte na tlačítko OK.
Další možnosti: Body, Systém jednotek, Souřadný systém, Seznam měřítek výkresu, Konfigurace norem
Postup nastavení formátu a velikosti entit bodů:
Viz příkaz PointFormat, který otevírá odpovídající část dialogového okna Možnosti.
Postup nastavení systému jednotek, použitých ve výkresu:
Viz příkaz UnitSystem, který otevírá odpovídající část dialogového okna Možnosti.
Postup správy CCS:
Chcete-li přizpůsobit Seznam měřítek výkresu:
Viz příkaz EditScaleList, který otevírá odpovídající část dialogového okna Možnosti.
Postup nastavení ověření prostřednictvím standardů výkresu pro aktuální výkres:
Viz příkaz DrawingStandards, který otevírá odpovídající část dialogového okna Možnosti.
Vzdálenosti odsazení úchopu kót
Chcete-li nastavit předvolby pro uchycení umístění kót:
Můžete si vynutit umístění kótovacích čar v určených vzdálenostech od měřených lineárních entit a mezi po sobě jdoucími kótovacími čarami, nebo v určených úhlech pro poloměry a průměry.
Proveďte jednu z následujících operací:
Klepněte na Nástroje > Možnosti (nebo zadejte Možnosti).
V dialogovém okně Možnosti klikněte na Nastavení výkresu
.Zadejte DrawingSettings.
Rozbalte možnost Odsazení vzdáleností uchycení kót.
Určete, zda chcete Povolit odsazení vzdáleností.
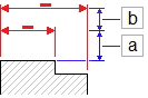
Pod možností Odsadit vzdálenosti nastavte:
Offset of the first dimension line from a measured linear entity.
Vzdálenost odsazení mezi po sobě jdoucími kótovacími čarami.

Výchozí vzdálenosti odsazení mezi entitou a první kótovací čárou jsou 0,40 palce (nebo 10 mm) a mezi kótovacími čarami 0,25 palce (6 mm).
V možnosti Úhel uchycení poloměru/průměru nastavte intervaly úhlu uchycení pro použití při přetahování poloměru a průměru v radiálním směru. Výchozí úhel uchycení je 15°.
Nastavení středové čáry
Postup nastavení předvoleb pro osy:
Proveďte jednu z následujících operací:
Klepněte na Nástroje > Možnosti (nebo zadejte Možnosti).
V dialogovém okně Možnosti klikněte na Nastavení výkresu
.Zadejte DrawingSettings.
Rozbalte Středové čáry.
V části Prodloužení určete prodloužení pro osy, které přesahují entity definující obrys.
Pohyb klávesy se šipkou
Postup nastavení předvoleb uživatele pro pohyb klávesy šipky:
Proveďte jednu z následujících operací:
Klepněte na Nástroje > Možnosti (nebo zadejte Možnosti).
V dialogovém okně Možnosti klikněte na Nastavení výkresu
.Zadejte DrawingSettings.
Rozbalte Pohyb klávesy šipky a nastavte:
Krok klávesy šipky. Udává kladnou hodnotu pro posun entit pomocí tlačítek šipek. Udává vzdálenost, o kterou se entita posouvá (klávesa Shift + šipka)
Pokud například nastavíte Krok klávesy šipky na 2,5, pak jeden stisk kláves Shift + šipka posouvá vybrané entity o 2,5 jednotky ortogonálně ve směru šipky.
Krok tlačítka stránky nahoru/dolů. Určuje násobicí faktor pro krok klávesy šipky.
Pokud například nastavíte Krok klávesy šipky na 2,5 a Krok klávesy stránky nahoru/dolů na 2, pak jeden stisk kláves Shift + šipka posouvá vybrané entity o 5 jednotek ortogonálně ve směru šipky.
Klikněte na Nástroje > Možnosti (nebo zadejte Options).
Přístup
Příkaz: DrawingSettings nebo Options
Nabídka: Nástroje > Možnosti
Pás karet: Spravovat > Uživatelská nastavení > Možnosti
Příbuzná témata
Přizpůsobení uživatelského rozhraní
Nadřazené téma