Definiowanie ustawień rysunku¶
Strona Ustawienia rysunku okna dialogowego Opcje umożliwia zdefiniowanie zachowania określonych poleceń rysunku, wyglądu niektórych elementów rysunku i układu jednostek miar bieżącego rysunku, a także zarządzanie niestandardowymi układami współrzędnych (CCS), dostosowanie listy skal rysunku oraz skonfigurowanie weryfikacji standardów rysunków.
Zachowanie
Aby ustawić zachowanie pewnych poleceń rysunku i ustawić opcje skali linii, należy:
Wykonać jedną z poniższych czynności:
Korzystając z menu, wybrać Narzędzia > Opcje, albo wpisać Opcje (Options)
W oknie dialogowym Opcje kliknąć Ustawienia rysunku
.Wpisać DrawingSettings.
Rozwinąć sekcję Zachowanie i zaznaczyć opcję Włącz wymiarowanie względne lub usunąć jej zaznaczenie. Określa, że tworzone wymiary są skojarzone z mierzonymi elementami.
Rozwinąć sekcję Parametry stylu linii i skonfigurować następujące ustawienia:
Globalna skala linii. Określa współczynnik skalowania dla wyświetlania stylów linii. Opcja ta jest użyteczna podczas powiększania i pomniejszania.
Skala linii dla nowych elementów. Ustawia skalę linii dla nowych elementów. Wszystkie skale linii elementów są wyświetlane w oparciu o przemnożenie wartości Globalna skala linii przez skalę linii elementu.
Skala oparta o jednostki arkusza. Mnoży niestandardową skalę okienka ekranu przez obliczoną wartość Skala linii dla nowych elementów.
Rozwiń Granica Rysunku i ustaw:
Włącz obwiednię rysunku: ogranicza użytkownika do rysowania elementów wewnątrz obwiedni ustawionej w części Pozycja.
Pozycja: określa granice obwiedni rysunku. Określić współrzędne albo kliknąć Wybierz w obszarze graficznym
, aby ustawić obwiednie w obszarze graficznym.
Rozwinąć sekcję Sterowanie ramką elementu. Pozwala to na ustawienie widoczności obramowania dla obrazów, obiektów OLE, podkładów PDF i podkładów DGN.
Nie wyświetlaj ani nie drukuj obramowania: ukrywa obramowanie na krawędziach elementu w obszarze graficznym i na wydrukach.
Wyświetl obramowanie, ale go nie drukuj: pokazuje obramowanie na krawędziach elementu w obszarze graficznym, ale ukrywa je na wydrukach.
Wyświetl i drukuj obramowanie: ukrywa obramowanie na krawędziach elementu w obszarze graficznym i na wydrukach.
Kliknąć OK.
Wyświetl
Aby skonfigurować opcje wyświetlania:
Wykonać jedną z poniższych czynności:
Korzystając z menu, wybrać Narzędzia > Opcje, albo wpisać Opcje (Options)
W oknie dialogowym Opcje kliknąć Ustawienia rysunku
.Wpisać DrawingSettings.
Rozwinąć sekcję Wyświetl i skonfigurować następujące ustawienia:
Pokaż zakładki modelu i arkusza. włącza i wyłącza wyświetlanie kart Model i Arkusz.
Pokaż atrybuty bloku:
Normalna. Wykorzystuje ustawienie zdefiniowane w atrybucie bloku.
Wł.. Pokazuje atrybuty bloku bez względu na ustawienie zdefiniowane w atrybucie bloku i bez względu na to, czy są one ukryte.
Wył.. Ukrywa atrybuty bloku.
Gładkość renderowania elementów. Określa gładkość zakrzywionych powierzchni dla renderowania i cieniowania. To ustawienie wpływa na wygląd obiektów bryłowych 3D na rysunku. Określić wartość od 0,1 do 10,0. Wartość domyślna to 0,5.
Określona gładkość wpływa także na rozdzielczość obiektów bryłowych 3D podczas eksportowania do plików stereolitograficznych (.stl) przy użyciu polecenia ExportSTL.
Rozwinąć sekcję Ikona układu współrzędnych i skonfigurować następujące ustawienia:
Wyświetl ikony. Wyświetla ikony układu współrzędnych na kartach Model i Arkusz.
Wyświetl ikony na początku. Zawsze wyświetla ikony układu współrzędnych w lokalizacji początku układu współrzędnych w obszarze graficznym.
Zastosuj zmiany dla wszystkich aktywnie wyświetlanych widoków. Stosuje ustawienia Wyświetl ikony oraz Wyświetl ikony na początku do wszystkich widoków.
Rozwinąć pozycję Miniatura i określić, kiedy mają być aktualizowane podglądy miniatur:
Widoki przestrzeni modelu. Aktualizuje podglądy miniatur dla widoków modelu.
Widoki arkusza. Aktualizuje podglądy miniatur dla widoków arkusza układu.
Arkusze. Aktualizuje podglądy miniatur dla arkuszy układu.
Utworzono, zmodyfikowano lub przywrócono arkusze lub widoki. Aktualizuje podglądy miniatur podczas tworzenia, modyfikowania lub przywracania arkuszy układu lub widoków.
Gdy rysunek jest zapisany. Aktualizuje podglądy miniatur podczas zapisywania rysunku.
Kiedy nie jest zaznaczona żadna z tych opcji, podglądy miniatur nie są aktualizowane.
Kliknąć OK.
Więcej opcji: Punkty, Układ jednostek miar, Układ współrzędnych, Lista skali rysunku, Konfiguracja standardów
Aby ustawić format i rozmiar elementów punktowych, należy:
Użyć polecenia PointFormat, które otwiera odpowiednią część okna dialogowego Opcje.
Aby skonfigurować układ jednostek miar używany w rysunku, należy:
Użyć polecenia UnitSystem, które otwiera odpowiednią część okna dialogowego Opcje.
Aby zarządzać niestandardowymi układami współrzędnych (NUW), należy:
Aby dostosować listę skal rysunku:
Użyć polecenia EditScaleList, które otwiera odpowiednią część okna dialogowego Opcje.
Aby ustawić weryfikację standardów rysunku dla bieżącego rysunku:
Użyć polecenia DrawingStandards, które otwiera odpowiednią część okna dialogowego Opcje.
Odległości odsunięcia przyciągania wymiaru
Aby skonfigurować preferencje dotyczące przyciągania wymiarów bazujących:
Można wymusić, aby linie wymiaru były umieszczane w określonej odległości od mierzonych elementów liniowych i pomiędzy kolejnymi liniami wymiaru — lub pod określonym kątem w przypadku wymiarów promienia i średnicy.
Wykonać jedną z poniższych czynności:
Korzystając z menu, wybrać Narzędzia > Opcje, albo wpisać Opcje (Options)
W oknie dialogowym Opcje kliknąć Ustawienia rysunku
.Wpisać DrawingSettings.
Rozwinąć sekcję Odległości odsunięcia przyciągania wymiaru.
W razie potrzeby włączyć odległości odsunięcia.
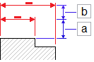
W obszarze Odległości odsunięcia określić:
Offset of the first dimension line from a measured linear entity.
Odsunięcie między kolejnymi liniami wymiarowymi.

Domyślne odległości odsunięcia wynoszą 0,40 cala (lub 10 mm) pomiędzy elementem a pierwszą linię wymiaru i 0,25 cala (lub 6 mm) pomiędzy wymiarami.
W obszarze Kąt przyciągania promienia/średnicy ustawić przyrosty kąta przyciągania do użycia podczas przyciągania wymiarów promieni i średnic wzdłuż lokalizacji promieniowych. Domyślny kąt przyciągania wynosi 15°.
Ustawienia linii środkowej
Aby określić preferencje dla linii środkowych (tylko w wersjach Professional i Enterprise):
Wykonać jedną z poniższych czynności:
Korzystając z menu, wybrać Narzędzia > Opcje, albo wpisać Opcje (Options)
W oknie dialogowym Opcje kliknąć Ustawienia rysunku
.Wpisać DrawingSettings.
Rozwinąć pozycję Linie środkowe.
W obszarze Wydłużenie określić wydłużenie dla linii środkowych, aby przekraczały elementy, które definiują kontur.
Ruch klawisza strzałki
Aby określić preferencje dotyczące ruchu klawisza strzałki (Professional, Premium, Enterprise i Enterprise Plus):
Wykonać jedną z poniższych czynności:
Korzystając z menu, wybrać Narzędzia > Opcje, albo wpisać Opcje (Options)
W oknie dialogowym Opcje kliknąć Ustawienia rysunku
.Wpisać DrawingSettings.
Rozwiń Przesuwanie klawiszami strzałek i ustaw:
Przyrost klawisza strzałki. Określa dodatnią wartość przenoszenia elementów przy użyciu klawiszy strzałek. Określa odległość, o jaką przenoszone są wybrane elementy (Shift + klawisz Strzałki)
Na przykład, jeśli ustawisz Przyrost klawisza strzałki na 2,5, jednorazowe naciśnięcie Shift + Strzałka przeniesie wybrane elementy o 2,5 jednostki prostopadle w kierunku strzałki.
Przyrost strona w górę / strona w dół. Określa współczynnik mnożenia dla przyrostu klawisza strzałki.
Na przykład, jeśli ustawisz Przyrost klawisza strzałki na 2,5 oraz Przyrost strona w górę / strona w dół na 2, jednorazowe naciśnięcie Shift + Strzałka przeniesie wybrane elementy o 5 jednostek prostopadle w kierunku strzałki.
Korzystając z menu, wybrać Narzędzia > Opcje, albo wpisać Opcje (Options)
Dostęp
Polecenie: DrawingSettings lub Options
Menu: Narzędzia > Opcje
Wstążka: Zarządzanie > Dostosowanie > Opcje
Tematy powiązane
Dostosowanie interfejsu użytkownika
Temat główny